TIDUET7G September 2019 – October 2023
In this build, Lab 2, the inner current loop is closed; that is, the inductor current is controlled using a current compensator Gi. To test lab 2, set the output load 100 Ω. Both DC bus and output voltage feed forward are applied to the output of this current compensator to generate the duty cycle of the inverter, Equation 22.

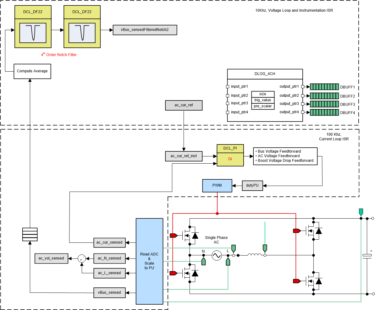
The complete software diagram for this lab is illustrated in Figure 3-10.
Figure 3-10 PFC Lab 2 Control Software Diagram: Closed Current Loop