SPRSP91C February 2023 – November 2025 AM68 , AM68A
PRODUCTION DATA
Refer to the PDF data sheet for device specific package drawings
Read and write data valid windows will shift due to variation in process, voltage, temperature, and operating frequency. A data training method may be implemented to dynamically configure optimal read and write timing. Implementing data training enables proper operation across temperature with a specific process, voltage, and frequency operating condition, while achieving a higher operating frequency.
Data transmit and receive timing parameters are not defined for the data training use case since they are dynamically adjusted based on the operating condition.
Table 6-86 defines DLL delays required for OSPI0/1 with Data Training. Table 6-87, Figure 6-102, Figure 6-103, Table 6-88, Figure 6-104, and Figure 6-105 present timing requirements and switching characteristics for OSPI0/1 with Data Training.
| MODE | OSPI_PHY_CONFIGURATION_REG BIT FIELD | DELAY VALUE |
|---|---|---|
| Transmit | ||
| All modes | PHY_CONFIG_TX_DLL_DELAY_FLD | (1) |
| Receive | ||
| All modes | PHY_CONFIG_RX_DLL_DELAY_FLD | (2) |
| NO. | MODE | MIN | MAX | UNIT | ||
|---|---|---|---|---|---|---|
| O15 | tsu(D-LBCLK) | Setup time, OSPI0_D[7:0] valid before active OSPI0_DQS edge | DDR with DQS | (1) | ns | |
| O16 | th(LBCLK-D) | Hold time, OSPI0_D[7:0] valid after active OSPI0_DQS edge | DDR with DQS | (1) | ns | |
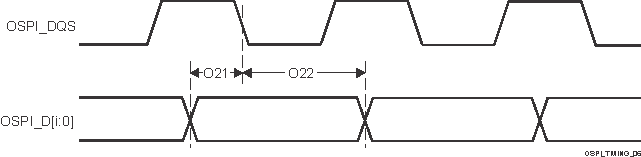
| O21 | tsu(D-LBCLK) | Setup time, OSPI0_D[7:0] valid before active OSPI0_DQS edge | SDR with Internal PHY Loopback | (1) | ns | |
| O22 | th(LBCLK-D) | Hold time, OSPI0_D[7:0] valid after active OSPI0_DQS edge | SDR with Internal PHY Loopback | (1) | ns | |
| tDVW | Data valid window (O15 + O16) | 1.8V, DDR with DQS | 1.4 | ns | ||
| Data valid window (O21 + O22) | 1.8V, SDR with Internal PHY Loopback | 1.7 | ns | |||
Figure 6-102 OSPI0/1 Timing Requirements – PHY Data Training, DDR with DQS
Figure 6-103 OSPI0/1 Timing Requirements – PHY Data Training, SDR with Internal PHY Loopback| NO. | PARAMETER | MODE | MIN | MAX | UNIT | |
|---|---|---|---|---|---|---|
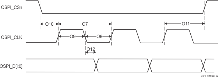
| O1 | tc(CLK) | Cycle time, OSPI0/1_CLK | 1.8V, DDR | 6.0 | 6.0 | ns |
| O7 | 1.8V, SDR | 6.0 | 6.0 | ns | ||
| O2 | tw(CLKL) | Pulse duration, OSPI0/1_CLK low | DDR | ((0.475P(1)) - 0.3) | ns | |
| O8 | SDR | |||||
| O3 | tw(CLKH) | Pulse duration, OSPI0/1_CLK high | DDR | ((0.475P(1)) - 0.3) | ns | |
| O9 | SDR | |||||
| O4 | td(CSn-CLK) | Delay time, OSPI0/1_CSn[3:0] active edge to OSPI0/1_CLK rising edge | DDR | ((0.475P(1)) + (0.975M(2)R(4)) + (0.028TD(5)) - 1) | ((0.525P(1)) + (1.025M(2)R(4)) + (0.055TD(5)) + 1) | ns |
| O10 | SDR | |||||
| O5 | td(CLK-CSn) | Delay time, OSPI0/1_CLK rising edge to OSPI0/1_CSn[3:0] inactive edge | DDR | ((0.475P(1)) + (0.975N(3)R(4)) - (0.055TD(5)) - 1) | ((0.525P(1)) + (1.025N(3)R(4)) - (0.028TD(5)) + 1) | ns |
| O11 | SDR | |||||
| O6 | td(CLK-D) | Delay time, OSPI0/1_CLK active edge to OSPI0/1_D[7:0] transition | DDR | (6) | (6) | ns |
| O12 | SDR | |||||
| tDIVW | Data invalid window (O6 Max - Min) | DDR | 1 | ns | ||
| Data invalid window (O12 Max - Min) | SDR | |||||
Figure 6-104 OSPI0/1 Switching Characteristics – PHY DDR Data Training
Figure 6-105 OSPI0/1 Switching Characteristics – PHY SDR Data Training