SWRS293 November 2023 CC1312PSIP
PRODUCTION DATA
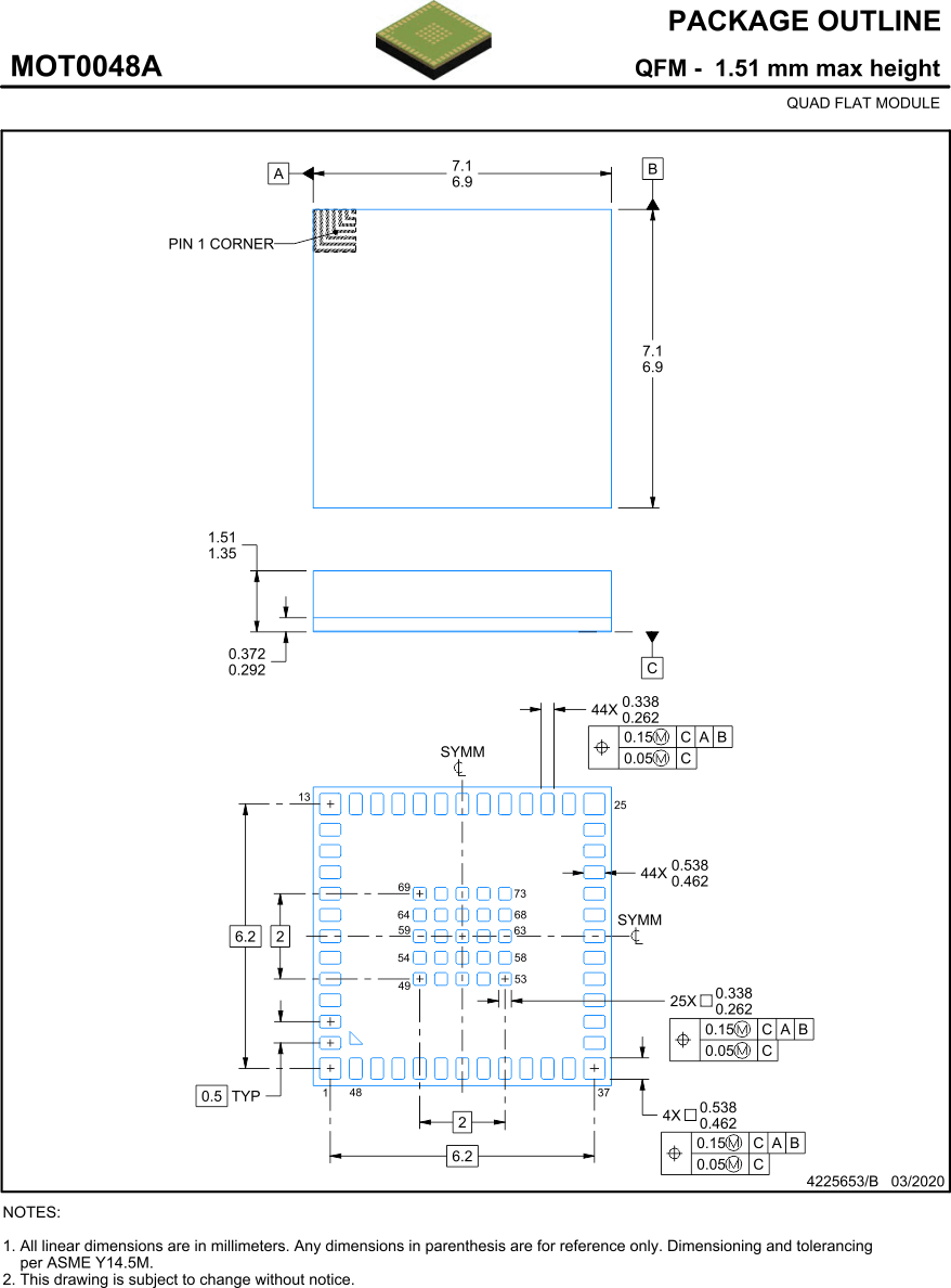
The following pages include mechanical packaging and orderable information. This information is the most current data available for the designated devices. This data is subject to change without notice and revision of this document. For browser-based versions of this data sheet, refer to the left-hand navigation.
The total height of the module is 1.51 mm.
The weight of the CC1312PSIP module is typically 0.19 g.


