SWAS037C February 2019 ā December 2024 CC3135
PRODUCTION DATA
Figure 4-1 shows the CC3135 device functional block diagram.

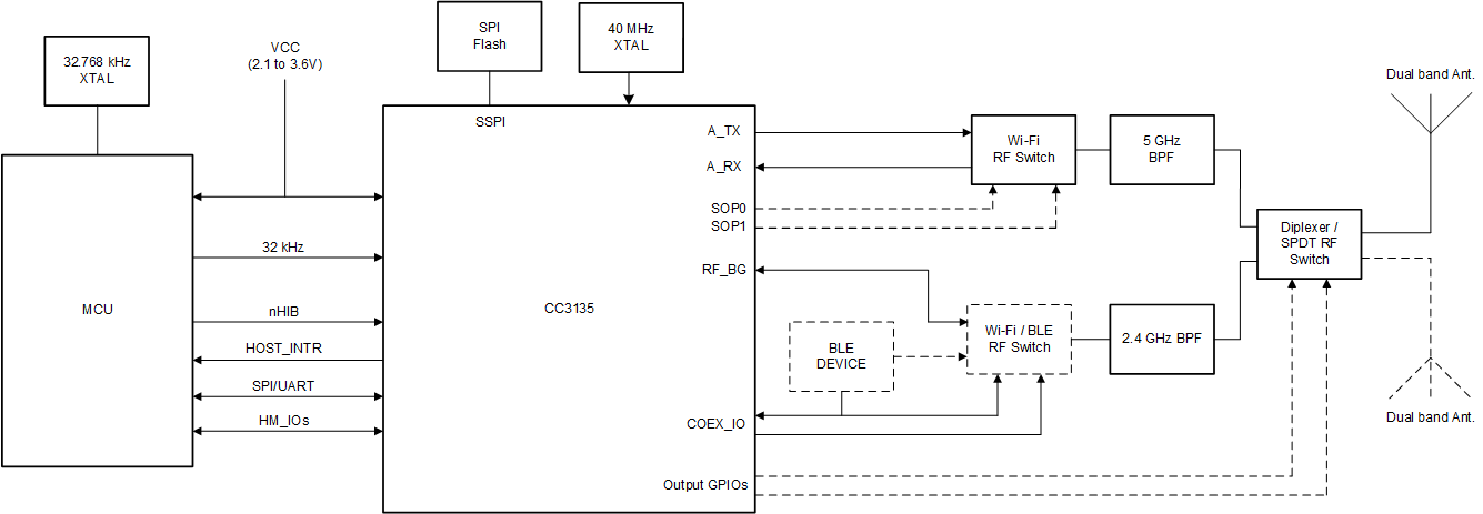
Figure 4-2 shows the CC3135 hardware overview.
Figure 4-2 CC3135 Hardware OverviewFigure 4-3 shows an overview of the CC3135 embedded software.
Figure 4-3 CC3135 Software Overview