SCHS032D November   1998  – July 2021 CD4027B

PRODUCTION DATA  

  1. Features
  2. Applications
  3. Description
  4. Revision History
  5. Pin Configuration and Functions
  6. Specifications
    1. 6.1 Absolute Maximum Ratings
    2. 6.2 Recommended Operating Conditions
    3. 6.3 Static Electrical Characteristics
    4. 6.4 Dynamic Electrical Characteristics
    5. 6.5 Typical Characteristics
  7. Parameter Measurement Information
  8. Detailed Description
    1. 8.1 Functional Block Diagram
    2. 8.2 Device Functional Modes (1)
  9. Device and Documentation Support
    1. 9.1 Receiving Notification of Documentation Updates
    2. 9.2 Support Resources
    3. 9.3 Trademarks
    4. 9.4 Electrostatic Discharge Caution
    5. 9.5 Glossary
  10. 10Mechanical, Packaging, and Orderable Information

Package Options

Refer to the PDF data sheet for device specific package drawings

Mechanical Data (Package|Pins)
  • PW|16
  • NS|16
  • N|16
  • D|16
Thermal pad, mechanical data (Package|Pins)
Orderable Information

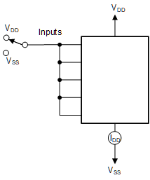
Parameter Measurement Information

GUID-20210429-CA0I-QWKL-JWTS-ZB91PW4Q1GNZ-low.gifFigure 7-1 Input Current Test Circuit
GUID-20210429-CA0I-MSWT-0QPN-DSMNQGSVVCJG-low.gifFigure 7-2 Input-Voltage Test Circuit
GUID-20210429-CA0I-BF9P-D0RW-7T4H1SC9BNBM-low.gif Figure 7-3 Quiescent Device Current Test Circuit