SLPS446D April   2014  – December 2016 CSD95379Q3M

PRODUCTION DATA.  

  1. Features
  2. Applications
  3. Description
  4. Revision History
  5. Pin Configuration and Functions
  6. Specifications
    1. 6.1 Absolute Maximum Ratings
    2. 6.2 ESD Ratings
    3. 6.3 Recommended Operating Conditions
    4. 6.4 Thermal Information
    5. 6.5 Electrical Characteristics
    6. 6.6 Typical Characteristics
  7. Detailed Description
    1. 7.1 Functional Block Diagram
    2. 7.2 Feature Description
      1. 7.2.1 Functional Description
        1. 7.2.1.1 Powering CSD95379Q3M and Gate Drivers
      2. 7.2.2 Undervoltage Lockout (UVLO) Protection
      3. 7.2.3 PWM Pin
      4. 7.2.4 SKIP# Pin
      5. 7.2.5 Zero Crossing (ZX) Operation
  8. Application and Implementation
    1. 8.1 Application Information
      1. 8.1.1 Power Loss Curves
      2. 8.1.2 Safe Operating Area (SOA) Curves
      3. 8.1.3 Normalized Curves
      4. 8.1.4 Calculating Power Loss and SOA
        1. 8.1.4.1 Design Example
        2. 8.1.4.2 Calculating Power Loss
        3. 8.1.4.3 Calculating SOA Adjustments
  9. Layout
    1. 9.1 Layout Guidelines
      1. 9.1.1 Electrical Performance
      2. 9.1.2 Thermal Performance
    2. 9.2 Layout Example
  10. 10Device and Documentation Support
    1. 10.1 Receiving Notification of Documentation Updates
    2. 10.2 Community Resources
    3. 10.3 Trademarks
    4. 10.4 Electrostatic Discharge Caution
    5. 10.5 Glossary
  11. 11Mechanical, Packaging, and Orderable Information
    1. 11.1 Mechanical Drawing
    2. 11.2 Recommended PCB Land Pattern
    3. 11.3 Recommended Stencil Opening

Package Options

Mechanical Data (Package|Pins)
  • DNS|10
Thermal pad, mechanical data (Package|Pins)
Orderable Information

Mechanical, Packaging, and Orderable Information

The following pages include mechanical, packaging, and orderable information. This information is the most current data available for the designated devices. This data is subject to change without notice and revision of this document. For browser-based versions of this data sheet, refer to the left-hand navigation.

Mechanical Drawing

CSD95379Q3M Mechanical_Drawing_0114.png

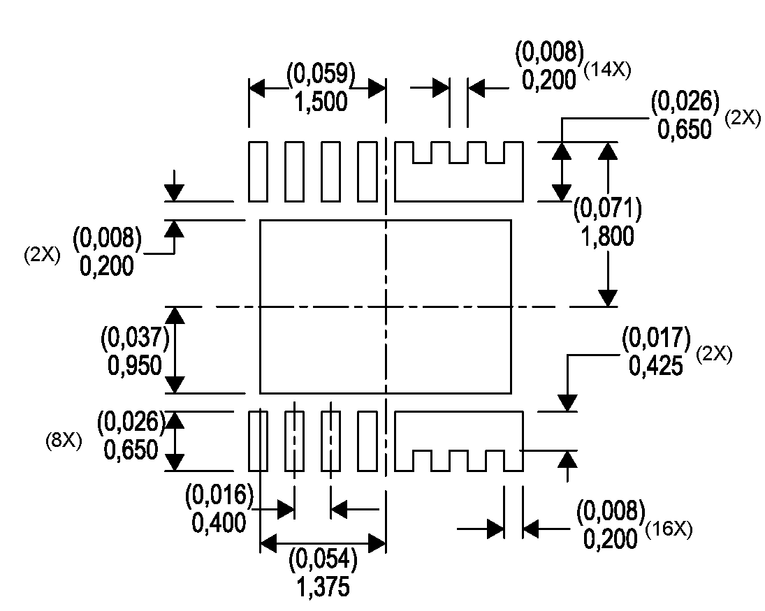
Recommended PCB Land Pattern

CSD95379Q3M Recommended_Land_Pattern.png
  1. Dimensions are in mm (in).

Recommended Stencil Opening

CSD95379Q3M Recommended_Stencil_Opening_4mils.png
  1. Dimensions are in mm (in).