DLPS269A March 2025 – June 2025 DLP991UUV
PRODUCTION DATA
| SYMBOL | PARAMETER | TEST CONDITIONS | MIN | TYP | MAX | UNIT |
|---|---|---|---|---|---|---|
| LVCMOS | ||||||
| tr | Rise time(1) | 20% to 80% reference points | 25 | ns | ||
| tf | Fall time(1) | 80% to 20% reference points | 25 | ns | ||
| Low-Speed Interface (LSIF) | ||||||
| tr | Rise time(2) | 20% to 80% reference points | 450 | ps | ||
| tf | Fall time(2) | 80% to 20% reference points | 450 | ps | ||
| tsu | Setup time(3) | LS_WDATA valid before rising edge of LS_CLK (differential) | 1.5 | ns | ||
| th | Hold time(3) | LS_WDATA valid after rising edge of LS_CLK (differential) | 1.5 | ns | ||
| High-Speed Serial Interface (HSSI) | ||||||
| tr | Rise time(4) | from -A1 to A1 minimum eye height specification | 50 | 100 | ps | |
| tf | Fall time(4) | from A1 to -A1 minimum eye height specification | 50 | 100 | ps | |
Figure 5-2 LSIF Waveform Requirements

Figure 5-3 LSIF Timing Requirements
Figure 5-4 LSIF Rise, Fall Time Slew
Figure 5-5 LSIF Voltage Requirements
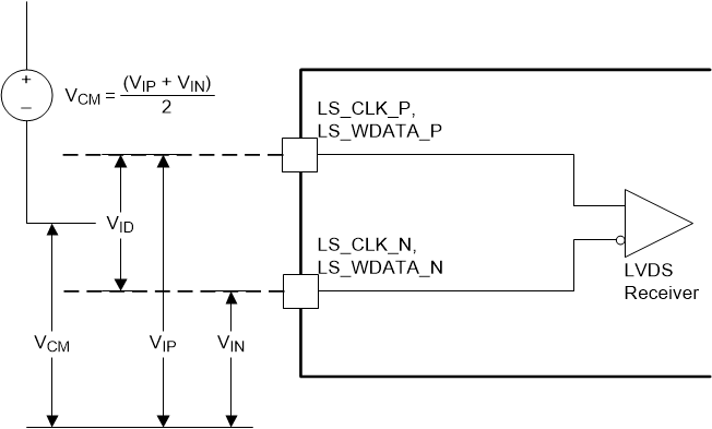
Figure 5-6 LSIF Equivalent Input
Figure 5-7 LVCMOS Input Hysteresis
Figure 5-8 LVCMOS Rise, Fall Time Slew Rate


Figure 5-10 HSSI Eye Characteristics
Figure 5-11 HSSI CLK Characteristics