SLVSFG5D September   2020  – March 2022 DRV8300

PRODUCTION DATA  

  1. Features
  2. Applications
  3. Description
  4. Revision History
  5. Device Comparison Table
  6. Pin Configuration and Functions
  7. Specifications
    1. 7.1 Absolute Maximum Ratings
    2. 7.2 ESD Ratings Comm
    3. 7.3 Recommended Operating Conditions
    4. 7.4 Thermal Information
    5. 7.5 Electrical Characteristics
    6. 7.6 Timing Diagrams
    7. 7.7 Typical Characteristics
  8. Detailed Description
    1. 8.1 Overview
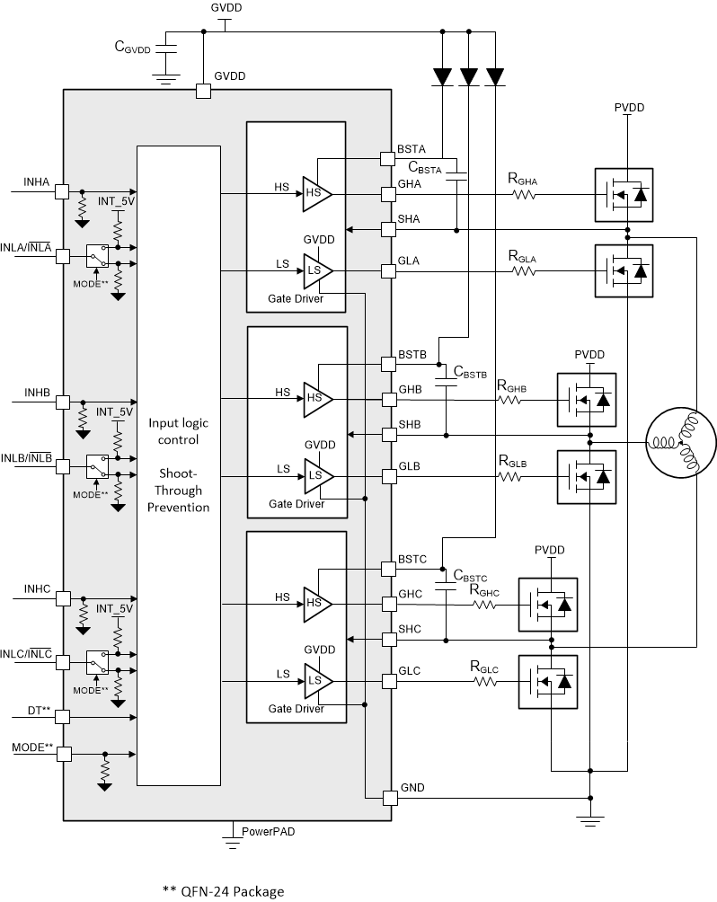
    2. 8.2 Functional Block Diagram
    3. 8.3 Feature Description
      1. 8.3.1 Three BLDC Gate Drivers
        1. 8.3.1.1 Gate Drive Timings
          1. 8.3.1.1.1 Propagation Delay
          2. 8.3.1.1.2 Deadtime and Cross-Conduction Prevention
        2. 8.3.1.2 Mode (Inverting and non inverting INLx)
      2. 8.3.2 Pin Diagrams
      3. 8.3.3 Gate Driver Protective Circuits
        1. 8.3.3.1 VBSTx Undervoltage Lockout (BSTUV)
        2. 8.3.3.2 GVDD Undervoltage Lockout (GVDDUV)
    4. 8.4 Device Functional Modes
  9. Application and Implementation
    1. 9.1 Application Information
    2. 9.2 Typical Application
      1. 9.2.1 Design Requirements
      2. 9.2.2 Bootstrap Capacitor and GVDD Capacitor Selection
      3. 9.2.3 Application Curves
  10. 10Power Supply Recommendations
  11. 11Layout
    1. 11.1 Layout Guidelines
    2. 11.2 Layout Example
  12. 12Device and Documentation Support
    1. 12.1 Receiving Notification of Documentation Updates
    2. 12.2 Support Resources
    3. 12.3 Trademarks
    4. 12.4 Electrostatic Discharge Caution
    5. 12.5 Glossary
  13. 13Mechanical, Packaging, and Orderable Information

Package Options

Mechanical Data (Package|Pins)
Thermal pad, mechanical data (Package|Pins)
Orderable Information

Functional Block Diagram

GUID-20200928-CA0I-FZNX-W48J-8503JVQ39V1X-low.gif Figure 8-1 Block Diagram for DRV8300D
GUID-20200928-CA0I-KMV3-Z3TC-Z2DBQCWXQZ7Z-low.gif Figure 8-2 Block Diagram for DRV8300N