SLLSEQ0C august   2015  – may 2023 ISO5852S

PRODUCTION DATA  

  1.   1
  2. Features
  3. Applications
  4. Description
  5. Revision History
  6. Description (continued)
  7. Pin Configuration and Function
  8. Specifications
    1. 7.1  Absolute Maximum Ratings
    2. 7.2  ESD Ratings
    3. 7.3  Recommended Operating Conditions
    4. 7.4  Thermal Information
    5. 7.5  Power Ratings
    6. 7.6  Insulation Specifications
    7. 7.7  Safety-Related Certifications
    8. 7.8  Safety Limiting Values
    9. 7.9  Electrical Characteristics
    10. 7.10 Switching Characteristics
    11. 7.11 Insulation Characteristics Curves
    12. 7.12 Typical Characteristics
  9. Parameter Measurement Information
  10. Detailed Description
    1. 9.1 Overview
    2. 9.2 Functional Block Diagram
    3. 9.3 Feature Description
      1. 9.3.1 Supply and Active Miller Clamp
      2. 9.3.2 Active Output Pulldown
      3. 9.3.3 Undervoltage Lockout (UVLO) With Ready (RDY) Pin Indication Output
      4. 9.3.4 Soft Turnoff, Fault ( FLT) and Reset ( RST)
      5. 9.3.5 Short Circuit Clamp
    4. 9.4 Device Functional Modes
  11. 10Application and Implementation
    1. 10.1 Application Information
    2. 10.2 Typical Applications
      1. 10.2.1 Design Requirements
      2. 10.2.2 Detailed Design Procedure
        1. 10.2.2.1  Recommended ISO5852S Application Circuit
        2. 10.2.2.2  FLT and RDY Pin Circuitry
        3. 10.2.2.3  Driving the Control Inputs
        4. 10.2.2.4  Local Shutdown and Reset
        5. 10.2.2.5  Global-Shutdown and Reset
        6. 10.2.2.6  Auto-Reset
        7. 10.2.2.7  DESAT Pin Protection
        8. 10.2.2.8  DESAT Diode and DESAT Threshold
        9. 10.2.2.9  Determining the Maximum Available, Dynamic Output Power, POD-max
        10. 10.2.2.10 Example
        11. 10.2.2.11 Higher Output Current Using an External Current Buffer
      3. 10.2.3 Application Curves
  12. 11Power Supply Recommendations
  13. 12Layout
    1. 12.1 Layout Guidelines
    2. 12.2 Layout Example
    3. 12.3 PCB Material
  14. 13Device and Documentation Support
    1. 13.1 Device Support
      1. 13.1.1 Third-Party Products Disclaimer
    2. 13.2 Documentation Support
      1. 13.2.1 Related Documentation
    3. 13.3 Receiving Notification of Documentation Updates
    4. 13.4 Support Resources
    5. 13.5 Trademarks
    6. 13.6 Electrostatic Discharge Caution
    7. 13.7 Glossary
  15. 14Mechanical, Packaging, and Orderable Information

Package Options

Mechanical Data (Package|Pins)
Thermal pad, mechanical data (Package|Pins)
Orderable Information

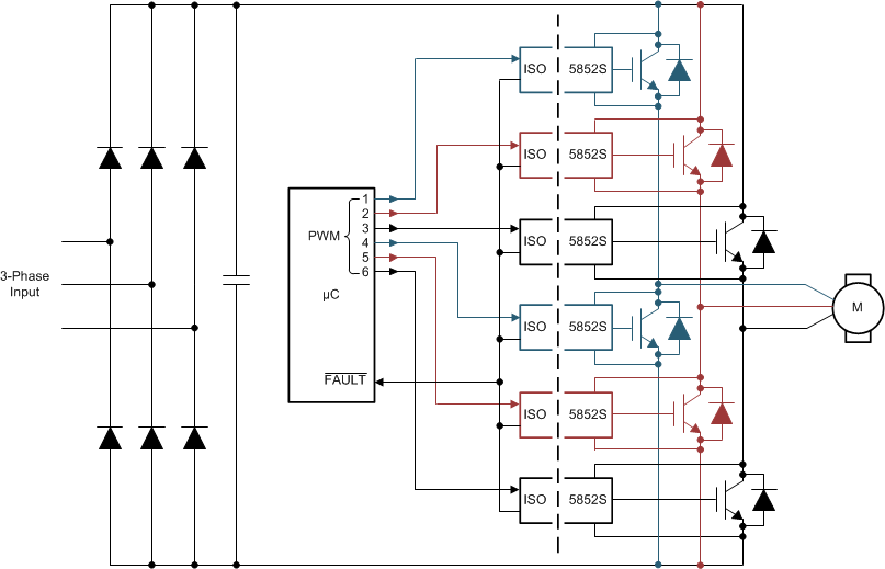
Typical Applications

Figure 10-1 shows the typical application of a three-phase inverter using six ISO5852S isolated gate drivers. Three-phase inverters are used for variable-frequency drives to control the operating speed and torque of AC motors and for high-power applications such as high-voltage DC (HVDC) power transmission.

The basic three-phase inverter consists of six power switches, and each switch is driven by one SO5852S. The switches are driven on and off at high switching frequency with specific patterns that to converter dc bus voltage to three-phase AC voltages.

GUID-359A5BAA-2FC1-44E1-8F2C-DB21EB17DFC4-low.gifFigure 10-1 Typical Motor-Drive Application