SLLSFU6E April   2024  – September 2025 ISOM8110-Q1 , ISOM8111-Q1 , ISOM8112-Q1 , ISOM8113-Q1 , ISOM8115-Q1 , ISOM8116-Q1 , ISOM8117-Q1 , ISOM8118-Q1

PRODUCTION DATA  

  1.   1
  2. Features
  3. Applications
  4. Description
  5. Device Comparison
  6. Pin Configuration and Functions
  7. Specifications
    1. 6.1  Absolute Maximum Ratings
    2. 6.2  ESD Ratings
    3. 6.3  Recommended Operating Conditions 
    4. 6.4  Thermal Information 
    5. 6.5  Insulation Specifications
    6. 6.6  Safety-Related Certifications
    7. 6.7  Safety Limiting Values
    8. 6.8  Electrical Characteristics
    9. 6.9  Switching Characteristics
    10. 6.10 Typical Characteristics
  8. Parameter Measurement Information
  9. Detailed Description
    1. 8.1 Overview
    2. 8.2 Functional Block Diagram
    3. 8.3 Feature Description
    4. 8.4 Device Functional Modes
  10. Application and Implementation
    1. 9.1 Application Information
      1. 9.1.1 Typical Application
        1. 9.1.1.1 Design Requirements
        2. 9.1.1.2 Detailed Design Procedure
          1. 9.1.1.2.1 Sizing RPULLUP
          2. 9.1.1.2.2 Sizing RIN
        3. 9.1.1.3 Application Curves
          1. 9.1.1.3.1 Insulation Lifetime
    2. 9.2 Power Supply Recommendations
    3. 9.3 Layout
      1. 9.3.1 Layout Guidelines
      2. 9.3.2 Layout Example
  11. 10Device and Documentation Support
    1. 10.1 Documentation Support
      1. 10.1.1 Related Documentation
    2. 10.2 Receiving Notification of Documentation Updates
    3. 10.3 Support Resources
    4. 10.4 Trademarks
    5. 10.5 Electrostatic Discharge Caution
    6. 10.6 Glossary
  12. 11Revision History
  13. 12Mechanical, Packaging, and Orderable Information

Package Options

Mechanical Data (Package|Pins)
Thermal pad, mechanical data (Package|Pins)
Orderable Information
Insulation Lifetime

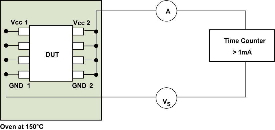
Insulation lifetime projection data is collected by using industry-standard Time Dependent Dielectric Breakdown (TDDB) test method. In this test, all pins on each side of the barrier are tied together creating a two-terminal device and high voltage applied between the two sides; see Figure 9-7 for TDDB test setup. The insulation breakdown data is collected at various high voltages switching at 60Hz over temperature. For reinforced insulation, VDE standard requires the use of TDDB projection line with failure rate of less than 1 part per million (ppm). Even though the expected minimum insulation lifetime is 20 years at the specified working isolation voltage, VDE reinforced certification requires additional safety margin of 20% for working voltage and 50% for lifetime which translates into minimum required insulation lifetime of 30 years at a working voltage that's 20% higher than the specified value.  

Figure 9-8 shows the intrinsic capability of the isolation barrier to withstand high voltage stress over the lifetime of the barrier. Based on the TDDB data, the intrinsic capability of the insulation is 500VRMS with a lifetime of 44. Other factors such as package size, pollution degree, and material group can further limit the working voltage of a component.

ISOM8110-Q1 ISOM8111-Q1 ISOM8112-Q1 ISOM8113-Q1  ISOM8115-Q1 ISOM8116-Q1 ISOM8117-Q1 ISOM8118-Q1 Test Setup for Insulation
                    Lifetime Measurement Figure 9-7 Test Setup for Insulation Lifetime Measurement
ISOM8110-Q1 ISOM8111-Q1 ISOM8112-Q1 ISOM8113-Q1  ISOM8115-Q1 ISOM8116-Q1 ISOM8117-Q1 ISOM8118-Q1 Insulation Lifetime Projection
                    Data Figure 9-8 Insulation Lifetime Projection Data