SLLSEY2G March 2017 – August 2021 ISOW7840 , ISOW7841 , ISOW7842 , ISOW7843 , ISOW7844
PRODUCTION DATA
|
For step-by-step design procedure, circuit schematics, bill of materials, printed circuit board (PCB) files, simulation results, and test results, refer to TI Design TIDA-01333, Eight-Channel, Isolated, High-Voltage Analog Input Module With ISOW7841 Reference Design. |
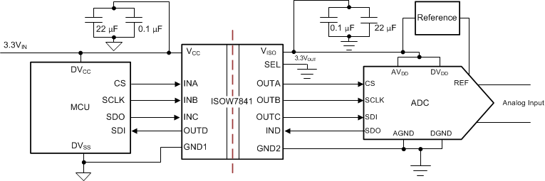
Figure 10-1 shows the typical schematic for SPI isolation.
Figure 10-1 Isolated
Power and SPI for ADC Sensing Application with ISOW7841