SLLSEY2G March 2017 – August 2021 ISOW7840 , ISOW7841 , ISOW7842 , ISOW7843 , ISOW7844
PRODUCTION DATA
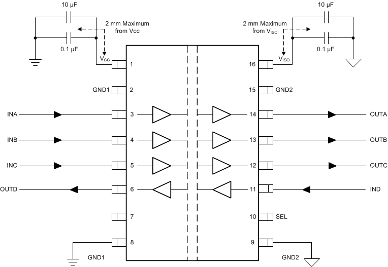
The devices requires only external bypass capacitors to operate. These low-ESR ceramic bypass capacitors must be placed as close to the chip pads as possible.

The VCC power-supply input provides power to isolated data channels and to the isolated DC-DC converter. Use Equation 1 to calculate the total power budget on the primary side.
where