SLCS144F July   2004  – December 2024 LM317L

PRODUCTION DATA  

  1.   1
  2. Features
  3. Applications
  4. Description
  5. Pin Configuration and Functions
  6. Specifications
    1. 5.1 Absolute Maximum Ratings
    2. 5.2 ESD Ratings
    3. 5.3 Recommended Operating Conditions
    4. 5.4 Thermal Information
    5. 5.5 Electrical Characteristics
    6. 5.6 Typical Characteristics
  7. Detailed Description
    1. 6.1 Overview
    2. 6.2 Functional Block Diagram
    3. 6.3 Feature Description
      1. 6.3.1 NPN Darlington Output Drive
      2. 6.3.2 Overload Block
      3. 6.3.3 Programmable Feedback
    4. 6.4 Device Functional Modes
      1. 6.4.1 Normal operation
      2. 6.4.2 Operation With Low Input Voltage
      3. 6.4.3 Operation at Light Loads
      4. 6.4.4 Operation In Self Protection
  8. Application and Implementation
    1. 7.1 Application Information
    2. 7.2 Typical Application
      1. 7.2.1 Design Requirements
      2. 7.2.2 Detailed Design Procedure
        1. 7.2.2.1 Input Capacitor
        2. 7.2.2.2 Output Capacitor
        3. 7.2.2.3 Feedback Resistors
        4. 7.2.2.4 Adjustment Terminal Capacitor
        5. 7.2.2.5 Design Options and Parameters
        6. 7.2.2.6 Output Voltage
        7. 7.2.2.7 Ripple Rejection
        8. 7.2.2.8 Input Short Protection
      3. 7.2.3 Application Curve
    3. 7.3 System Examples
      1. 7.3.1 Regulator Circuit With Improved Ripple Rejection
      2. 7.3.2 0V to 30V Regulator Circuit
      3. 7.3.3 Precision Current-Limiter Circuit
      4. 7.3.4 Tracking Preregulator Circuit
      5. 7.3.5 Slow-Turn On 15V Regulator Circuit
      6. 7.3.6 50mA Constant-Current, Battery-Charger Circuit
      7. 7.3.7 Current-Limited 6V Charger
      8. 7.3.8 High-Current Adjustable Regulator
    4. 7.4 Power Supply Recommendations
    5. 7.5 Layout
      1. 7.5.1 Layout Guidelines
      2. 7.5.2 Layout Example
    6. 7.6 Estimating Junction Temperature
  9. Device and Documentation Support
    1. 8.1 Device Support
      1. 8.1.1 Device Nomenclature
    2. 8.2 Receiving Notification of Documentation Updates
    3. 8.3 Support Resources
    4. 8.4 Trademarks
    5. 8.5 Electrostatic Discharge Caution
    6. 8.6 Glossary
  10. Revision History
  11. 10Mechanical, Packaging, and Orderable Information

Package Options

Refer to the PDF data sheet for device specific package drawings

Mechanical Data (Package|Pins)
  • D|8
  • PK|3
  • PW|8
  • LP|3
Thermal pad, mechanical data (Package|Pins)
Orderable Information

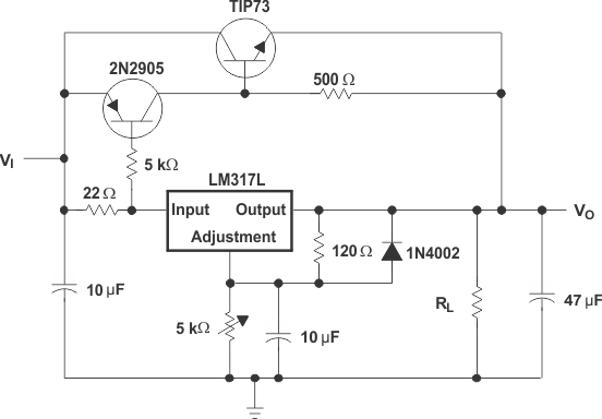
High-Current Adjustable Regulator

This application allows higher currents at VOUT than the LM317L can provide, while still keeping the output voltage at levels determined by the adjustment-pin resistor divider of the LM317L.

LM317L High-Current Adjustable RegulatorFigure 7-10 High-Current Adjustable Regulator