SNOSDA4D June   2020  – November 2023 LM339LV , LM393LV , TL331LV , TL391LV

PRODMIX  

  1.   1
  2. Features
  3. Applications
  4. Description
  5. Pin Configuration and Functions
    1. 4.1 Pin Functions for TL331LV and TL391LV
    2. 4.2 Pin Functions: LM393LV
    3. 4.3 Pin Functions: LM339LV
  6. Specifications
    1. 5.1  Absolute Maximum Ratings
    2. 5.2  ESD Ratings
    3. 5.3  Recommended Operating Conditions
    4. 5.4  Thermal Information for TL3x1LV
    5. 5.5  Thermal Information, LM393LV
    6. 5.6  Thermal Information, LM339LV
    7. 5.7  Electrical Characteristics, TL3x1LV
    8. 5.8  Switching Characteristics, TL3x1LV
    9. 5.9  Electrical Characteristics, LM393LV
    10. 5.10 Switching Characteristics, LM393LV
    11. 5.11 Electrical Characteristics, LM339LV
    12. 5.12 Switching Characteristics, LM339LV
    13. 5.13 Typical Characteristics
  7. Detailed Description
    1. 6.1 Overview
    2. 6.2 Functional Block Diagram
    3. 6.3 Feature Description
    4. 6.4 Device Functional Modes
      1. 6.4.1 Open Drain Output
      2. 6.4.2 Power-On-Reset (POR)
      3. 6.4.3 Inputs
        1. 6.4.3.1 Rail to Rail Input
        2. 6.4.3.2 Fault Tolerant Inputs
        3. 6.4.3.3 Input Protection
      4. 6.4.4 ESD Protection
      5. 6.4.5 Unused Inputs
      6. 6.4.6 Hysteresis
  8. Application and Implementation
    1. 7.1 Application Information
      1. 7.1.1 Basic Comparator Definitions
        1. 7.1.1.1 Operation
        2. 7.1.1.2 Propagation Delay
        3. 7.1.1.3 Overdrive Voltage
      2. 7.1.2 Hysteresis
        1. 7.1.2.1 Inverting Comparator With Hysteresis
        2. 7.1.2.2 Non-Inverting Comparator With Hysteresis
    2. 7.2 Typical Applications
      1. 7.2.1 Window Comparator
        1. 7.2.1.1 Design Requirements
        2. 7.2.1.2 Detailed Design Procedure
        3. 7.2.1.3 Application Curve
      2. 7.2.2 Square-Wave Oscillator
        1. 7.2.2.1 Design Requirements
        2. 7.2.2.2 Detailed Design Procedure
        3. 7.2.2.3 Application Curve
      3. 7.2.3 Adjustable Pulse Width Generator
      4. 7.2.4 Time Delay Generator
      5. 7.2.5 Logic Level Shifter
      6. 7.2.6 One-Shot Multivibrator
      7. 7.2.7 Bi-Stable Multivibrator
      8. 7.2.8 Zero Crossing Detector
      9. 7.2.9 Pulse Slicer
    3. 7.3 Power Supply Recommendations
    4. 7.4 Layout
      1. 7.4.1 Layout Guidelines
      2. 7.4.2 Layout Example
  9. Device and Documentation Support
    1. 8.1 Related Documentation
    2. 8.2 Receiving Notification of Documentation Updates
    3. 8.3 Support Resources
    4. 8.4 Trademarks
    5. 8.5 Electrostatic Discharge Caution
    6. 8.6 Glossary
  10. Revision History
  11. 10Mechanical, Packaging, and Orderable Information

Package Options

Mechanical Data (Package|Pins)
Thermal pad, mechanical data (Package|Pins)
Orderable Information

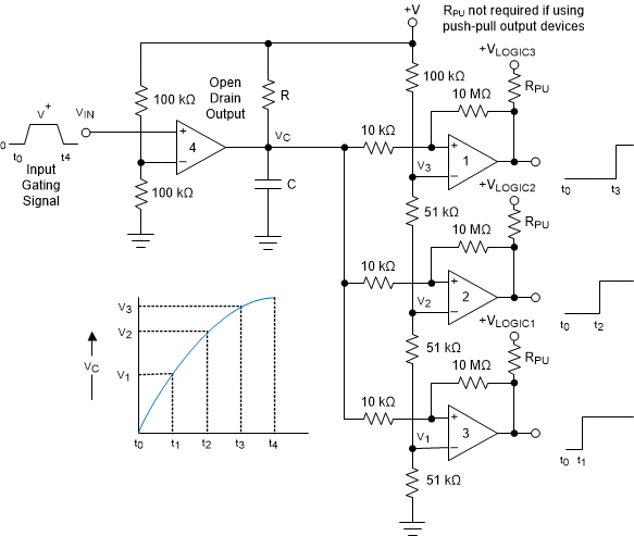
Time Delay Generator

The circuit shown in Figure 7-13 provides output signals at a prescribed time interval from a time reference and automatically resets the output low when the input returns to 0V. This is useful for sequencing a "power on" signal to trigger a controlled start-up of power supplies.

GUID-A603155B-F275-4D1A-B006-F9C1B859FAA0-low.gifFigure 7-13 Time Delay Generator

Consider the case of VIN = 0. The output of comparator 4 is also at ground, "shorting" the capacitor and holding it at 0V. This implies that the outputs of comparators 1, 2, and 3 are also at 0V. When an input signal is applied, the output of open drain comparator 4 goes High-Z and C charges exponentially through R. This is indicated in the graph. The output voltages of comparators 1, 2, and 3 switch to the high state in sequence when VC rises above the reference voltages V1, V2 and V3. A small amount of hysteresis has been provided by the 10 kΩ and 10 MΩ resistors to insure fast switching when the RC time constant is chosen to give long delay times. A good starting point is R = 100 kΩ and C = 0.01 µF to 1 µF.

All outputs will immediately go low when VIN falls to 0V, due to the comparator output going low and immediately discharging the capacitor.

Comparator 4 must be a open-drain type output (TLV902x), whereas comparators 1 though 3 may be either open drain or push-pull output, depending on system requirements. RPU is not required for push-pull output devices.