SNVS499I February   2007  – November 2023 LM5116

PRODUCTION DATA  

  1.   1
  2. Features
  3. Applications
  4. Description
  5. Pin Configuration and Functions
  6. Specifications
    1. 5.1 Absolute Maximum Ratings
    2. 5.2 ESD Ratings
    3. 5.3 Recommended Operating Conditions
    4. 5.4 Thermal Information
    5. 5.5 Electrical Characteristics
    6. 5.6 Switching Characteristics
    7. 5.7 Typical Performance Characteristics
  7. Detailed Description
    1. 6.1 Overview
    2. 6.2 Functional Block Diagram
    3. 6.3 Feature Description
      1. 6.3.1 High Voltage Start-Up Regulator
      2. 6.3.2 Enable
      3. 6.3.3 UVLO
      4. 6.3.4 Oscillator and Sync Capability
      5. 6.3.5 Error Amplifier and PWM Comparator
      6. 6.3.6 Ramp Generator
      7. 6.3.7 Current Limit
      8. 6.3.8 HO Output
      9. 6.3.9 Thermal Protection
    4. 6.4 Device Functional Modes
      1. 6.4.1 Soft-Start and Diode Emulation
  8. Application and Implementation
    1. 7.1 Application Information
    2. 7.2 Typical Application
      1. 7.2.1 Design Requirements
      2. 7.2.2 Detailed Design Procedure
        1. 7.2.2.1  Custom Design with WEBENCH® Tools
        2. 7.2.2.2  Timing Resistor
        3. 7.2.2.3  Output Inductor
        4. 7.2.2.4  Current Sense Resistor
        5. 7.2.2.5  Ramp Capacitor
        6. 7.2.2.6  Output Capacitors
        7. 7.2.2.7  Input Capacitors
        8. 7.2.2.8  VCC Capacitor
        9. 7.2.2.9  Bootstrap Capacitor
        10. 7.2.2.10 Soft Start Capacitor
        11. 7.2.2.11 Output Voltage Divider
        12. 7.2.2.12 UVLO Divider
        13. 7.2.2.13 MOSFETs
        14. 7.2.2.14 MOSFET Snubber
        15. 7.2.2.15 Error Amplifier Compensation
        16. 7.2.2.16 Comprehensive Equations
          1. 7.2.2.16.1 Current Sense Resistor and Ramp Capacitor
          2. 7.2.2.16.2 Modulator Transfer Function
          3. 7.2.2.16.3 Error Amplifier Transfer Function
      3. 7.2.3 Application Curves
    3. 7.3 Power Supply Recommendations
    4. 7.4 Layout
      1. 7.4.1 Layout Guidelines
      2. 7.4.2 Layout Example
  9. Device and Documentation Support
    1. 8.1 Device Support
      1. 8.1.1 Third-Party Products Disclaimer
      2. 8.1.2 Development Support
        1. 8.1.2.1 Custom Design with WEBENCH® Tools
    2. 8.2 Receiving Notification of Documentation Updates
    3. 8.3 Support Resources
    4. 8.4 Trademarks
    5. 8.5 Electrostatic Discharge Caution
    6. 8.6 Glossary
  10. Revision History
  11. 10Mechanical, Packaging, and Orderable Information

Package Options

Mechanical Data (Package|Pins)
Thermal pad, mechanical data (Package|Pins)
Orderable Information

High Voltage Start-Up Regulator

The LM5116 contains a dual mode internal high voltage startup regulator that provides the VCC bias supply for the PWM controller and a boot-strap gate drive for the high-side buck MOSFET. The input pin (VIN) can be connected directly to an input voltage source as high as 100 volts. For input voltages below 10.6 V, a low dropout switch connects VCC directly to VIN. In this supply range, VCC is approximately equal to VIN. For VIN voltages greater than 10.6 V, the low dropout switch is disabled and the VCC regulator is enabled to maintain VCC at approximately 7.4 V. The wide operating range of 6 V to 100 V is achieved through the use of this dual mode regulator.

Upon power-up, the regulator sources current into the capacitor connected to the VCC pin. When the voltage at the VCC pin exceeds 4.5 V and the UVLO pin is greater than 1.215 V, the output switch is enabled and a soft-start sequence begins. The output switch remains enabled until VCC falls below 4.5 V, EN is pulled low, the UVLO pin falls below 1.215 V, or the die temperature exceeds the thermal limit threshold.

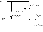
GUID-BEE631F2-6C37-436C-AACE-2A2528EBCBBE-low.gif Figure 6-1 VCCX Bias Supply with Additional Inductor Winding

An output voltage derived bias supply can be applied to the VCCX pin to reduce the IC power dissipation. If the bias supply voltage is greater than 4.5 V, the internal regulator will essentially shut off, reducing the IC power dissipation. The VCC regulator series pass transistor includes a diode between VCC and VIN that must not be forward biased in normal operation. For an output voltage between 5 V and 15 V, VOUT can be connected directly to VCCX. For VOUT < 5 V, a bias winding on the output inductor can be added to VOUT. If the bias winding can supply VCCX greater than VIN, an external blocking diode is required from the input power supply to the VIN pin to prevent VCC from discharging into the input supply.

The output of the VCC regulator is current limited to 15 mA minimum. The VCC current is determined by the MOSFET gate charge, switching frequency and quiescent current (see MOSFETs). If VCCX is powered by the output voltage or an inductor winding, the VCC current must be evaluated during startup to ensure that it is less than the 15 mA minimum current limit specification. If VCCX is powered by an external regulator derived from VIN, there is no restriction on the VCC current.

GUID-82852FC0-6241-42EA-BD72-3154C660F1E3-low.gif Figure 6-2 Input Blocking Diode for VCCX > VIN

In high voltage applications extra care must be taken to ensure the VIN pin does not exceed the absolute maximum voltage rating of 100 V. During line or load transients, voltage ringing on the VIN line that exceeds the Absolute Maximum Ratings can damage the IC. Both careful PC board layout and the use of quality bypass capacitors located close to the VIN and GND pins are essential.