Unless otherwise specified the following conditions apply: VIN = 12 V, TA = 25°C. The circuit is shown in Figure 9-31, with the appropriate BOM from Table 9-3 or Table 9-4.

| VOUT = 5 V | 400 kHz | DDA Package |
Figure 9-7 Efficiency
| VOUT = 5 V | 1.4 MHz | DDA Package |
Figure 9-9 Efficiency
| VOUT = 5
V |
2.1
MHz |
DDA
Package |
Figure 9-11 Efficiency
| VOUT = 5
V |
400
kHz |
RNX
Package |
Figure 9-13 Efficiency
| VOUT = 5
V |
1.4
MHz |
RNX
Package |
Figure 9-15 Efficiency
| VOUT = 5
V |
2.1
MHz |
RNX
Package |
Figure 9-17 Efficiency
Figure 9-19 Line and Load Regulation
Figure 9-21 Mode Change Thresholds
| VIN = 12 V |
|
VOUT = 5
V |
| tf = tr
= 2 µs |
IOUT = 0 A to 3 A |
Figure 9-23 Load Transient
Figure 9-25 Line and Load Regulation
| VOUT = 3.3
V |
ƒSW = 400
kHz |
|
Figure 9-27 Mode Change Thresholds
| VIN = 12
V |
|
VOUT = 3.3
V |
| tf =
tr = 2 µs |
IOUT = 0 A to 3 A |
Figure 9-29 Load Transient
| VOUT = 3.3 V | 400 kHz | DDA Package |
Figure 9-8 Efficiency
| VOUT = 3.3 V | 1.4 MHz | DDA Package |
Figure 9-10 Efficiency
| VOUT = 3.3
V |
2.1 MHz |
DDA Package |
Figure 9-12 Efficiency
| VOUT = 3.3
V |
400
kHz |
RNX
Package |
Figure 9-14 Efficiency
| VOUT = 3.3
V |
1.4
MHz |
RNX
Package |
Figure 9-16 Efficiency
| VOUT = 3.3
V |
2.1 MHz |
RNX Package |
Figure 9-18 Efficiency
| VOUT = 5
V |
IOUT = 0
A |
RFBT = 1
MΩ |
Figure 9-20 Input Supply Current
Figure 9-22 Switching Frequency versus Output Current
| VIN = 12 V |
|
VOUT = 5
V |
| tf = tr
= 2 µs |
IOUT = 1 A to 3 A |
Figure 9-24 Load Transient
| VOUT = 3.3
V |
IOUT = 0
A |
RFBT = 1
MΩ |
Figure 9-26 Input Supply Current
| VOUT = 3.3
V |
ƒSW = 400
kHz |
|
Figure 9-28 Switching Frequency versus Output Current
| VIN = 12 V |
VOUT =
3.3V |
IOUT = 1 A to 3
A |
| tf = tr = 2 µs |
|
Figure 9-30 Load Transient
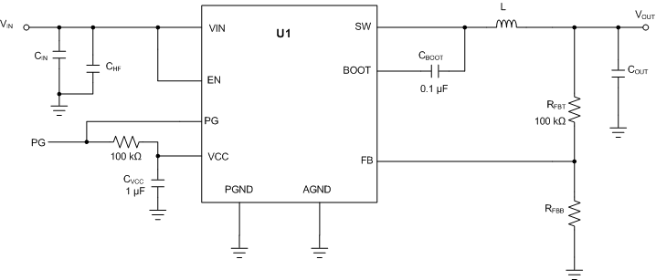
Figure 9-31 Circuit for Application Curves
The values in this table were selected to enhance certain performance criteria and
may not represent typical values.
Table 9-3 BOM for Typical Application Curves DDA
Package| VOUT | FREQUENCY | RFBB | COUT | CIN + CHF | L | U1 |
|---|
| 3.3 V | 400 kHz | 43.3 kΩ | 4 × 22 µF | 1 × 10 µF + 1 × 220 nF | 6.8 µH, 14 mΩ | LMR33630ADDA |
| 3.3 V | 1400 KHz | 43.3 kΩ | 4 × 22 µF | 1 × 10 µF + 1 × 220 nF | 2.2 µH, 11.4 mΩ | LMR33630BDDA |
| 3.3 V | 2100 kHz | 43.3 kΩ | 4 × 22 µF | 1 × 10 µF + 1 × 220 nF | 1.2 µH, 16 mΩ | LMR33630CDDA |
| 5 V | 400 kHz | 24.9 kΩ | 4 × 22 µF | 1 × 10 µF + 1 × 220 nF | 8 µH, 14 mΩ | LMR33630ADDA |
| 5 V | 1400 KHz | 24.9 kΩ | 4 × 22 µF | 1 × 10 µF + 1 × 220 nF | 2.2 µH, 11.4 mΩ | LMR33630BDDA |
| 5 V | 2100 kHz | 24.9 kΩ | 4 × 22 µF | 1 × 10 µF + 1 × 220 nF | 1.5 µH, 8.2 mΩ | LMR33630CDDA |
Table 9-4 BOM for Typical Application Curves RNX
Package| VOUT | FREQUENCY | RFBB | COUT | CIN + CHF | L | U1 |
|---|
| 3.3 V | 400 kHz | 43.3 kΩ | 4 × 22 µF | 2 × 4.7 µF + 2 × 100 nF | 6.8 µH, 14 mΩ | LMR33630ARNX |
| 3.3 V | 1400 KHz | 43.3 kΩ | 4 × 22 µF | 2 × 4.7 µF + 2 × 100 nF | 2.2 µH, 11.4 mΩ | LMR33630BRNX |
| 3.3 V | 2100 kHz | 43.3 kΩ | 4 × 22 µF | 2 × 4.7 µF + 2 × 100 nF | 1.2 µH, 7 mΩ | LMR33630CRNX |
| 5 V | 400 kHz | 24.9 kΩ | 4 × 22 µF | 2 × 4.7 µF + 2 × 100 nF | 8 µH, 25 mΩ | LMR33630ARNX |
| 5 V | 1400 KHz | 24.9 kΩ | 4 × 22 µF | 2 × 4.7 µF + 2 × 100 nF | 2.2 µH, 11.4 mΩ | LMR33630BRNX |
| 5 V | 2100 kHz | 24.9 kΩ | 4 × 22 µF | 2 × 4.7 µF + 2 × 100 nF | 1.5 µH, 8.2 mΩ | LMR33630CRNX |