SLASEF5B January 2019 – December 2021 MSP430FR5041 , MSP430FR5043 , MSP430FR50431 , MSP430FR6041 , MSP430FR6043 , MSP430FR60431
PRODUCTION DATA
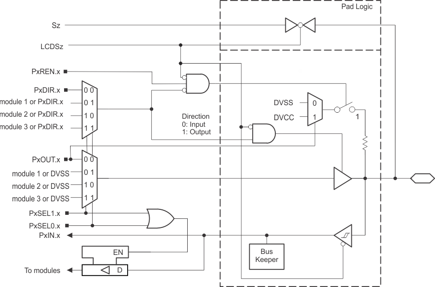
Figure 9-19 shows the port diagram. Table 9-41 summarizes the selection of the pin function.

| PIN NAME (P6.x) | PN 80 | PM RGC 64 | FUNCTION | CONTROL BITS OR SIGNALS (1) | |||
|---|---|---|---|---|---|---|---|
| P6DIR.x | P6SEL1.x | P6SEL0.x | LCDSz | ||||
| P6.0/TA0CLK/COUT/ LCDS0 | 51 | 41 | P6.0 (I/O) | 0 = Input, 1 = Output | 0 | 0 | 0 |
| TA0CLK | 0 | 0 | 1 | 0 | |||
| Internally tied to DVSS | 1 | ||||||
| N/A | 0 | 1 | 0 | 0 | |||
| COUT | 1 | ||||||
| N/A | 0 | 1 | 1 | 0 | |||
| Internally tied to DVSS | 1 | ||||||
| Sz (2) | X | X | X | 1 | |||