SCLS226N October 1995 – June 2025 SN54AHC244 , SN74AHC244
PRODUCTION DATA
Refer to the PDF data sheet for device specific package drawings
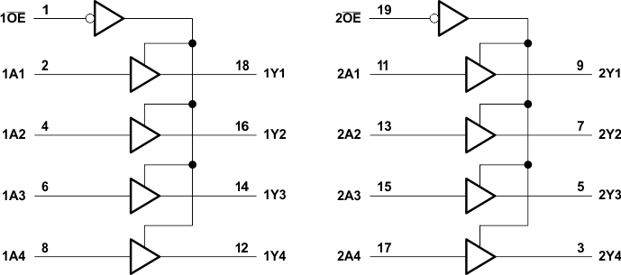
These octal buffers and drivers are designed specifically to improve the performance and density of 3-state memory-address drivers, clock drivers, and bus-oriented receivers and transmitters.
| PART NUMBER | PACKAGE(1) | PACKAGE SIZE(2) | BODY SIZE(3) |
|---|---|---|---|
| SN54AHC244 | J (CDIP, 20) | 24.2mm x 7.62mm | 24.2mm x 6.92mm |
| W (CFP, 20) | 13.09mm x 8.13mm | 13.09mm x 6.92mm | |
| FK (LCCC, 20) | 8.89 mm x 8.89 mm | 8.89 mm x 8.89 mm | |
| SN74AHC244 | DB (SSOP, 20) | 7.2mm × 7.8mm | 7.50mm x 5.30mm |
| DW (SOIC, 20) | 12.80mm × 10.3mm | 12.8mm x 7.5mm | |
| N (PDIP, 20) | 24.33mm x 9.4mm | 25.40mm x 6.35mm | |
| NS (SOP, 20) | 12.60mm x 7.8mm | 12.6mm x 5.30mm | |
| DGV (TVSOP, 20) | 5.00mm x 6.4mm | 5.00mm x 4.40mm | |
| PW (TSSOP, 20) | 6.50mm × 6.4mm | 6.50mm x 4.40mm | |
| DGS (VSSOP, 20) | 5.10mm × 4.90mm | 5.10mm × 3.00mm | |
| RKS (VQFN, 20) | 4.50mm × 2.50mm | 4.50mm × 2.50mm |
