SLOS487A June   2007  – March 2025

PRODUCTION DATA  

  1.   1
  2. Features
  3. Applications
  4. Description
  5. Pin Configuration and Functions
  6. Specifications
    1. 5.1 Absolute Maximum Ratings #GUID-19DC26E8-D6A2-4DC2-B060-CBAB9083A539/SLCS1465781
    2. 5.2 ESD Ratings
    3. 5.3 Recommended Operating Conditions
    4. 5.4 TL4051x12I Electrical Characteristics
    5. 5.5 TL4051x12Q Electrical Characteristics
    6. 5.6 TL4051xI (Adjustable Version) Electrical Characteristics
    7. 5.7 TL4051xQ (Adjustable Version) Electrical Characteristics
    8. 5.8 Typical Characteristics
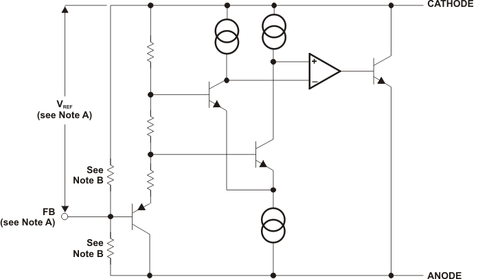
  7. Detailed Description
    1. 6.1 Functional Block Diagram
  8. Application Information
    1.     18
    2. 7.1 Output Capacitor
    3. 7.2 SOT-23 Pin Connections
    4. 7.3 Adjustable Version
    5. 7.4 Cathode and Load Currents
  9. Device and Documentation Support
    1. 8.1 Ordering Information #GUID-976CEE24-7363-4E17-A58C-B4BF51CF6EAF/SLOS4878286
    2. 8.2 Ordering Information #GUID-673FAB83-2025-46A0-94B9-74C174333480/SLOS4875645
    3. 8.3 Receiving Notification of Documentation Updates
    4. 8.4 Support Resources
    5. 8.5 Trademarks
    6. 8.6 Electrostatic Discharge Caution
    7. 8.7 Glossary
  10. Revision History
  11. 10Mechanical, Packaging, and Orderable Information

Package Options

Mechanical Data (Package|Pins)
Thermal pad, mechanical data (Package|Pins)
Orderable Information

Functional Block Diagram

TL4051
TL4051x (Adjustable) only
TL4051x12 only