SLCS114F November 1983 – June 2025 TLC372
PRODUCTION DATA
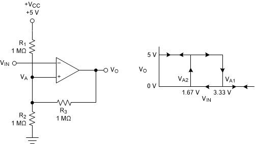
The inverting comparator with hysteresis requires a three-resistor network that is referenced to the comparator supply voltage (VCC), as shown below.
Figure 7-3 Inverting Configuration
With HysteresisThe equivalent resistor networks when the output is high and low are shown below.
Figure 7-4 Inverting Configuration Resistor Equivalent NetworksWhen VIN is less than VA, the output voltage is high (for simplicity, assume VO switches as high as VCC). The three network resistors can be represented as R1 || R3 in series with R2, as shown above on the left.
The equation below defines the high-to-low trip voltage (VA1).

When VIN is greater than VA, the output voltage is low. In this case, the three network resistors can be presented as R2 || R3 in series with R1, as shown above on the right.
Use the equation below to define the low to high trip voltage (VA2).

The equation below defines the total hysteresis provided by the network.
