SBOS288M January   2004  – December 2020 TMP175 , TMP75

PRODUCTION DATA  

  1. Features
  2. Applications
  3. Description
  4. Revision History
  5. Pin Configuration and Functions
  6. Specifications
    1. 6.1 Absolute Maximum Ratings
    2. 6.2 ESD Ratings
    3. 6.3 Recommended Operating Conditions
    4. 6.4 Thermal Information
    5. 6.5 Electrical Characteristics
    6. 6.6 I2C Interface Timing
    7. 6.7 Typical Characteristics
  7. Detailed Description
    1. 7.1 Overview
    2. 7.2 Functional Block Diagram
    3. 7.3 Feature Description
      1. 7.3.1 Digital Temperature Output
      2. 7.3.2 Serial Interface
        1. 7.3.2.1 Bus Overview
        2. 7.3.2.2 Serial Bus Address
        3. 7.3.2.3 Writing and Reading to the TMP175 and TMP75
        4. 7.3.2.4 Slave Mode Operations
          1. 7.3.2.4.1 Slave Receiver Mode
          2. 7.3.2.4.2 Slave Transmitter Mode
        5. 7.3.2.5 SMBus Alert Function
        6. 7.3.2.6 General Call
        7. 7.3.2.7 High-Speed Mode
        8. 7.3.2.8 Time-out Function
      3. 7.3.3 Timing Diagrams
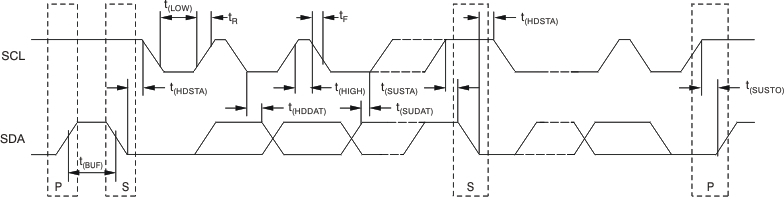
      4. 7.3.4 Two-Wire Timing Diagrams
    4. 7.4 Device Functional Modes
      1. 7.4.1 Shutdown Mode (SD)
      2. 7.4.2 One-shot (OS)
      3. 7.4.3 Thermostat Mode (TM)
      4. 7.4.4 Comparator Mode (TM = 0)
      5. 7.4.5 Interrupt Mode (TM = 1)
    5. 7.5 Programming
      1. 7.5.1 Pointer Register
        1. 7.5.1.1 Pointer Register Byte (pointer = N/A) [reset = 00h]
        2. 7.5.1.2 Pointer Addresses of the TMP175
      2. 7.5.2 Temperature Register
      3. 7.5.3 Configuration Register
        1. 7.5.3.1 Shutdown Mode (SD)
        2. 7.5.3.2 Thermostat Mode (TM)
        3. 7.5.3.3 Polarity (POL)
        4. 7.5.3.4 Fault Queue (F1/F0)
        5. 7.5.3.5 Converter Resolution (R1/R0)
        6. 7.5.3.6 One-Shot (OS)
      4. 7.5.4 High and Low Limit Registers
  8. Application and Implementation
    1. 8.1 Application Information
    2. 8.2 Typical Application
      1. 8.2.1 Design Requirements
      2. 8.2.2 Detailed Design Procedure
      3. 8.2.3 Application Curve
  9. Power Supply Recommendations
  10. 10Layout
    1. 10.1 Layout Guidelines
    2. 10.2 Layout Example
  11. 11Device and Documentation Support
    1. 11.1 Receiving Notification of Documentation Updates
    2. 11.2 Support Resources
    3. 11.3 Trademarks
    4. 11.4 Electrostatic Discharge Caution
    5. 11.5 Glossary
  12. 12Mechanical, Packaging, and Orderable Information

Package Options

Mechanical Data (Package|Pins)
Thermal pad, mechanical data (Package|Pins)
Orderable Information

Two-Wire Timing Diagrams

GUID-D7A7EC3F-1518-4AC8-AA00-C30FD390D3A2-low.gifFigure 7-1 Two-Wire Timing Diagram
GUID-E72ABCA8-0009-487B-BF16-4432F1F2B98A-low.gifFigure 7-2 Two-Wire Timing Diagram for the TMP75 Write Word Format
GUID-402BDF6F-6CF7-466D-BF7B-D4786C8A363D-low.gifFigure 7-3 Two-Wire Timing Diagram for the TMP175 Write Word Format
GUID-9C8A1EC2-653F-4415-A3B8-C20AE492B71C-low.gifFigure 7-4 Two-Wire Timing Diagram for Read Word Format
GUID-64B4AF09-067F-4966-857F-A8A5AD0FDAFA-low.gifFigure 7-5 Timing Diagram for SMBus ALERT