SCDS388B November   2018  – February 2024 TMUX1108

PRODUCTION DATA  

  1.   1
  2. Features
  3. Applications
  4. Description
  5. Device Comparison Table
  6. Pin Configuration and Functions
  7. Specifications
    1. 6.1  Absolute Maximum Ratings
    2. 6.2  ESD Ratings
    3. 6.3  Recommended Operating Conditions
    4. 6.4  Thermal Information
    5. 6.5  Electrical Characteristics (VDD = 5V ±10 %)
    6. 6.6  Electrical Characteristics (VDD = 3.3V ±10 %)
    7. 6.7  Electrical Characteristics (VDD = 2.5V ±10 %), (VSS = –2.5V ±10 %)
    8. 6.8  Electrical Characteristics (VDD = 1.8V ±10 %)
    9. 6.9  Electrical Characteristics (VDD = 1.2V ±10 %)
    10. 6.10 Typical Characteristics
  8. Detailed Description
    1. 7.1 Overview
      1. 7.1.1  On-Resistance
      2. 7.1.2  Off-Leakage Current
      3. 7.1.3  On-Leakage Current
      4. 7.1.4  Transition Time
      5. 7.1.5  Break-Before-Make Delay
      6. 7.1.6  Turn-On and Turn-Off Time
      7. 7.1.7  Charge Injection
      8. 7.1.8  Off Isolation
      9. 7.1.9  Crosstalk
      10. 7.1.10 Bandwidth
    2. 7.2 Functional Block Diagram
    3. 7.3 Feature Description
      1. 7.3.1 Bidirectional Operation
      2. 7.3.2 Rail to Rail Operation
      3. 7.3.3 1.8V Logic Compatible Inputs
      4. 7.3.4 Fail-Safe Logic
      5. 7.3.5 Ultra-low Leakage Current
      6. 7.3.6 Ultra-low Charge Injection
    4. 7.4 Device Functional Modes
      1. 7.4.1 Truth Tables
  9. Application and Implementation
    1. 8.1 Application Information
    2. 8.2 Typical Application
      1. 8.2.1 Design Requirements
      2. 8.2.2 Detailed Design Procedure
      3. 8.2.3 Application Curve
    3. 8.3 Power Supply Recommendations
    4. 8.4 Layout
      1. 8.4.1 Layout Guidelines
      2. 8.4.2 Layout Example
  10. Device and Documentation Support
    1. 9.1 Documentation Support
      1. 9.1.1 Related Documentation
    2. 9.2 Receiving Notification of Documentation Updates
    3. 9.3 Support Resources
    4. 9.4 Trademarks
    5. 9.5 Electrostatic Discharge Caution
    6. 9.6 Glossary
  11. 10Revision History
  12. 11Mechanical, Packaging, and Orderable Information

Package Options

Mechanical Data (Package|Pins)
Thermal pad, mechanical data (Package|Pins)
Orderable Information

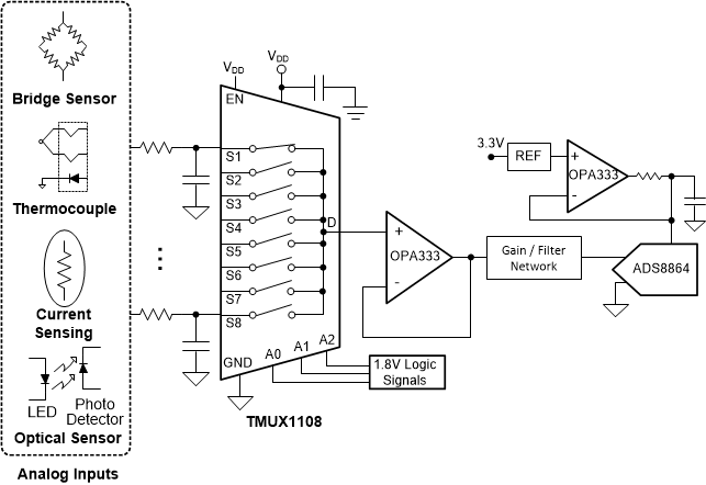
Typical Application

Figure 8-1 shows a 16-bit, 8 input, multiplexed, data-acquisition system. This example is typical in industrial applications that require low distortion for precision measurements. The circuit uses the ADS8864, a 16-bit, 400-kSPS successive-approximation-resistor (SAR) analog-to-digital converter (ADC), along with a precision amplifier, and an 8 input mux.

GUID-E824BB20-370A-4A1C-ADBA-68BF29D248EA-low.gifFigure 8-1 Multiplexing Signals to External ADC