SCDS388B November 2018 – February 2024 TMUX1108
PRODUCTION DATA
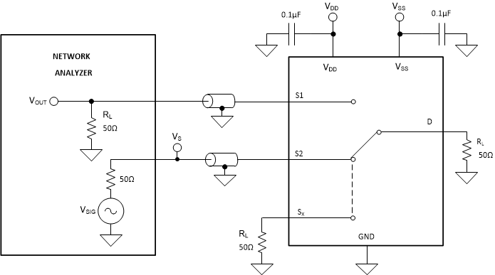
Crosstalk is defined as the ratio of the signal at the drain pin (D) of a different channel, when a signal is applied at the source pin (Sx) of an on-channel. Figure 7-9 shows the setup used to measure, and the equation used to compute crosstalk.
Figure 7-9 Crosstalk Measurement Setup