SCDS431D October   2020  – July 2024 TMUX6211 , TMUX6212 , TMUX6213

PRODUCTION DATA  

  1.   1
  2. Features
  3. Applications
  4. Description
  5. Device Comparison Table
  6. Pin Configuration and Functions
  7. Specifications
    1. 6.1  Absolute Maximum Ratings
    2. 6.2  ESD Ratings
    3. 6.3  Thermal Information
    4. 6.4  Recommended Operating Conditions
    5. 6.5  Source or Drain Continuous Current
    6. 6.6  ±15 V Dual Supply: Electrical Characteristics 
    7. 6.7  ±15 V Dual Supply: Switching Characteristics 
    8. 6.8  36 V Single Supply: Electrical Characteristics 
    9. 6.9  36 V Single Supply: Switching Characteristics 
    10. 6.10 12 V Single Supply: Electrical Characteristics 
    11. 6.11 12 V Single Supply: Switching Characteristics 
    12. 6.12 ±5 V Dual Supply: Electrical Characteristics 
    13. 6.13 ±5 V Dual Supply: Switching Characteristics 
    14. 6.14 Typical Characteristics
  8. Parameter Measurement Information
    1. 7.1  On-Resistance
    2. 7.2  Off-Leakage Current
    3. 7.3  On-Leakage Current
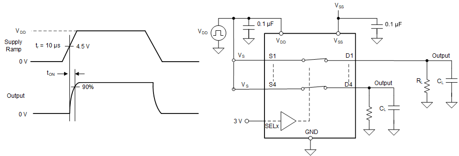
    4. 7.4  tON and tOFF Time
    5. 7.5  tON (VDD) Time
    6. 7.6  Propagation Delay
    7. 7.7  Charge Injection
    8. 7.8  Off Isolation
    9. 7.9  Channel-to-Channel Crosstalk
    10. 7.10 Bandwidth
    11. 7.11 THD + Noise
    12. 7.12 Power Supply Rejection Ratio (PSRR)
  9. Detailed Description
    1. 8.1 Overview
    2. 8.2 Functional Block Diagram
    3. 8.3 Feature Description
      1. 8.3.1 Bidirectional Operation
      2. 8.3.2 Rail-to-Rail Operation
      3. 8.3.3 1.8 V Logic Compatible Inputs
      4. 8.3.4 Integrated Pull-Down Resistor on Logic Pins
      5. 8.3.5 Fail-Safe Logic
      6. 8.3.6 Latch-Up Immune
      7. 8.3.7 Ultra-Low Charge Injection
    4. 8.4 Device Functional Modes
    5. 8.5 Truth Tables
  10. Application and Implementation
    1. 9.1 Application Information
    2. 9.2 Typical Application
      1. 9.2.1 Design Requirements
      2. 9.2.2 Detailed Design Procedure
      3. 9.2.3 Application Curve
    3. 9.3 Power Supply Recommendations
    4. 9.4 Layout
      1. 9.4.1 Layout Guidelines
      2. 9.4.2 Layout Example
  11. 10Device and Documentation Support
    1. 10.1 Documentation Support
      1. 10.1.1 Related Documentation
    2. 10.2 Receiving Notification of Documentation Updates
    3. 10.3 Support Resources
    4. 10.4 Trademarks
    5. 10.5 Electrostatic Discharge Caution
    6. 10.6 Glossary
  12. 11Revision History
  13. 12Mechanical, Packaging, and Orderable Information

Package Options

Mechanical Data (Package|Pins)
Thermal pad, mechanical data (Package|Pins)
Orderable Information

tON (VDD) Time

The tON (VDD) time is defined as the time taken by the output of the device to rise to 90% after the supply has risen past the supply threshold. The 90% measurement is used to provide the timing of the device turning on in the system. Figure 7-5 shows the setup used to measure turn on time, denoted by the symbol tON (VDD).

TMUX6211 TMUX6212 TMUX6213 tON
                        (VDD) Time Measurement Setup Figure 7-5 tON (VDD) Time Measurement Setup