SCDS403C february   2021  – july 2023 TMUX7308F , TMUX7309F

PRODUCTION DATA  

  1.   1
  2. Features
  3. Applications
  4. Description
  5. Revision History
  6. Device Comparison Table
  7. Pin Configuration and Functions
  8. Specifications
    1. 7.1  Absolute Maximum Ratings
    2. 7.2  ESD Ratings
    3. 7.3  Thermal Information
    4. 7.4  Recommended Operating Conditions
    5. 7.5  Electrical Characteristics (Global)
    6. 7.6  ±15 V Dual Supply: Electrical Characteristics
    7. 7.7  ±20 V Dual Supply: Electrical Characteristics
    8. 7.8  12 V Single Supply: Electrical Characteristics
    9. 7.9  36 V Single Supply: Electrical Characteristics
    10. 7.10 Typical Characteristics
  9. Parameter Measurement Information
    1. 8.1  On-Resistance
    2. 8.2  Off-Leakage Current
    3. 8.3  On-Leakage Current
    4. 8.4  Input and Output Leakage Current Under Overvoltage Fault
    5. 8.5  Break-Before-Make Delay
    6. 8.6  Enable Delay Time
    7. 8.7  Transition Time
    8. 8.8  Fault Response Time
    9. 8.9  Fault Recovery Time
    10. 8.10 Charge Injection
    11. 8.11 Off Isolation
    12. 8.12 Crosstalk
    13. 8.13 Bandwidth
    14. 8.14 THD + Noise
  10. Detailed Description
    1. 9.1 Overview
    2. 9.2 Functional Block Diagram
    3. 9.3 Feature Description
      1. 9.3.1 Flat On – Resistance
      2. 9.3.2 Protection Features
        1. 9.3.2.1 Input Voltage Tolerance
        2. 9.3.2.2 Powered-Off Protection
        3. 9.3.2.3 Fail-Safe Logic
        4. 9.3.2.4 Overvoltage Protection and Detection
        5. 9.3.2.5 Adjacent Channel Operation During Fault
        6. 9.3.2.6 ESD Protection
        7. 9.3.2.7 Latch-Up Immunity
        8. 9.3.2.8 EMC Protection
      3. 9.3.3 Bidirectional Operation
      4. 9.3.4 1.8 V Logic Compatible Inputs
      5. 9.3.5 Integrated Pull-Down Resistor on Logic Pins
    4. 9.4 Device Functional Modes
      1. 9.4.1 Normal Mode
      2. 9.4.2 Fault Mode
      3. 9.4.3 Truth Tables
  11. 10Application and Implementation
    1. 10.1 Application Information
    2. 10.2 Typical Application
      1. 10.2.1 Design Requirements
      2. 10.2.2 Detailed Design Procedure
      3. 10.2.3 Application Curves
    3. 10.3 Power Supply Recommendations
    4. 10.4 Layout
      1. 10.4.1 Layout Guidelines
      2. 10.4.2 Layout Example
  12. 11Device and Documentation Support
    1. 11.1 Documentation Support
      1. 11.1.1 Related Documentation
    2. 11.2 Receiving Notification of Documentation Updates
    3. 11.3 Support Resources
    4. 11.4 Trademarks
    5. 11.5 Electrostatic Discharge Caution
    6. 11.6 Glossary
  13. 12Mechanical, Packaging, and Orderable Information

Package Options

Mechanical Data (Package|Pins)
Thermal pad, mechanical data (Package|Pins)
Orderable Information

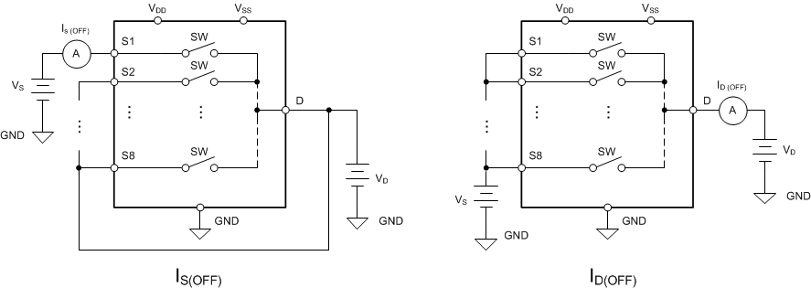
Off-Leakage Current

There are two types of leakage currents associated with a switch during the off state, which follows:

  1. Source off-leakage current IS(OFF): the leakage current flowing into or out of the source pin when the switch is off.
  2. Drain off-leakage current ID(OFF): the leakage current flowing into or out of the drain pin when the switch is off.

Figure 8-2 shows the setup used to measure both off-leakage currents.

GUID-9B29A18E-DB7B-4A38-9F1C-BBCD58412ECA-low.gifFigure 8-2 Off-Leakage Measurement Setup