SLVSDX0B October   2017  – November 2017 TPS23525

PRODUCTION DATA.  

  1. Features
  2. Applications
  3. Description
  4. Revision History
  5. Pin Configuration and Functions
  6. Specifications
    1. 6.1 Absolute Maximum Ratings
    2. 6.2 ESD Ratings
    3. 6.3 Recommended Operating Conditions
    4. 6.4 Thermal Information
    5. 6.5 Electrical Characteristics
    6. 6.6 Switching Characteristics
    7. 6.7 Typical Characteristics
  7. Parameter Measurement Information
    1. 7.1 Relationship between Sense Voltage, Gate Current, and Timer
  8. Detailed Description
    1. 8.1 Overview
    2. 8.2 Functional Block Diagram
    3. 8.3 Feature Description
      1. 8.3.1 Current Limit
        1. 8.3.1.1 Programming the CL Switch-Over Threshold
        2. 8.3.1.2 Programming CL1
        3. 8.3.1.3 Programming CL2
        4. 8.3.1.4 Computing the Fast Trip Threshold
      2. 8.3.2 Soft Start Disconnect
      3. 8.3.3 Timer
      4. 8.3.4 OR-ing
    4. 8.4 Device Functional Modes
      1. 8.4.1 OFF State
      2. 8.4.2 Insertion Delay State
      3. 8.4.3 Start-up State
      4. 8.4.4 Normal Operation State
  9. Application and Implementation
    1. 9.1 Application Information
    2. 9.2 Typical Application
      1. 9.2.1 Design Requirements
      2. 9.2.2 Detailed Design Procedure
        1. 9.2.2.1  Selecting RSNS
        2. 9.2.2.2  Selecting Soft Start Setting: CSS and CSS,VEE
        3. 9.2.2.3  Selecting VDS Switch Over Threshold
        4. 9.2.2.4  Timer Selection
        5. 9.2.2.5  MOSFET Selection and SOA Checks
        6. 9.2.2.6  Input Cap, Input TVS, and OR-ing FET selection
        7. 9.2.2.7  EMI Filter Consideration
        8. 9.2.2.8  Under Voltage and Over Voltage Settings
        9. 9.2.2.9  Choosing RVCC and CVCC
        10. 9.2.2.10 Power Good Interface to Downstream DC/DC
      3. 9.2.3 Application Curves
  10. 10Power Supply Recommendations
  11. 11Layout
    1. 11.1 Layout Guidelines
    2. 11.2 Layout Example
  12. 12Device and Documentation Support
    1. 12.1 Device Support
      1. 12.1.1 Third-Party Products Disclaimer
    2. 12.2 Documentation Support
      1. 12.2.1 Related Documentation
    3. 12.3 Receiving Notification of Documentation Updates
    4. 12.4 Community Resources
    5. 12.5 Trademarks
    6. 12.6 Electrostatic Discharge Caution
    7. 12.7 Glossary
  13. 13Mechanical, Packaging, and Orderable Information

Package Options

Mechanical Data (Package|Pins)
Thermal pad, mechanical data (Package|Pins)
Orderable Information

Layout

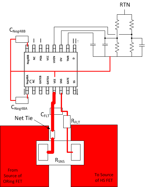
Layout Guidelines

There are several things to keep in mind during layout of the TPS23525 circuit:

● The VEE and SNS pin need to have a Kelvin Sense connection to the sense resistor.

● The VEE trace carries current and needs to be thick and short in order to minimize IR drop and to avoid introducing current sensing error.

● It is recommended to use a net-tie to separate the power plane coming into the RSNS and the Kelvin connection to VEE.

● Connect the Neg48Vx filtering caps, UVEN resistor divider, OV resistor divider, and TMR cap to the "VEE" to insure maximum accuracy.

● The filtering caps on Neg48VB, Neg48VA, and SNS should be placed as close to the IC as possible.

Layout Example

TPS23525 slvsdf9_TPS23525_LayoutExample.png Figure 57. Layout Example