SLVSCN9B December   2014  – June 2020 TPS61175-Q1

PRODUCTION DATA.  

  1. Features
  2. Applications
  3. Description
    1.     Device Images
      1.      Simplified Schematic
  4. Revision History
  5. Pin Configuration and Functions
    1.     Pin Functions
  6. Specifications
    1. 6.1 Absolute Maximum Ratings
    2. 6.2 ESD Ratings
    3. 6.3 Recommended Operating Conditions
    4. 6.4 Thermal Information
    5. 6.5 Electrical Characteristics
    6. 6.6 Timing Requirements
    7. 6.7 Typical Characteristics
  7. Detailed Description
    1. 7.1 Overview
    2. 7.2 Functional Block Diagram
    3. 7.3 Feature Description
      1. 7.3.1 Switching Frequency
      2. 7.3.2 Soft Start
      3. 7.3.3 Overcurrent Protection
      4. 7.3.4 Enable and Thermal Shutdown
      5. 7.3.5 Under Voltage Lockout (UVLO)
    4. 7.4 Device Functional Modes
      1. 7.4.1 Minimum ON Time and Pulse Skipping
  8. Application and Implementation
    1. 8.1 Application Information
    2. 8.2 Typical Application
      1. 8.2.1 Design Requirements
      2. 8.2.2 Detailed Design Procedure
        1. 8.2.2.1 Determining the Duty Cycle
        2. 8.2.2.2 Selecting the Inductor
        3. 8.2.2.3 Computing the Maximum Output Current
        4. 8.2.2.4 Setting Output Voltage
        5. 8.2.2.5 Setting the Switching Frequency
        6. 8.2.2.6 Setting the Soft Start Time
        7. 8.2.2.7 Selecting the Schottky Diode
        8. 8.2.2.8 Selecting the Input and Output Capacitors
        9. 8.2.2.9 Compensating the Small Signal Control Loop
      3. 8.2.3 Application Curves
  9. Power Supply Recommendations
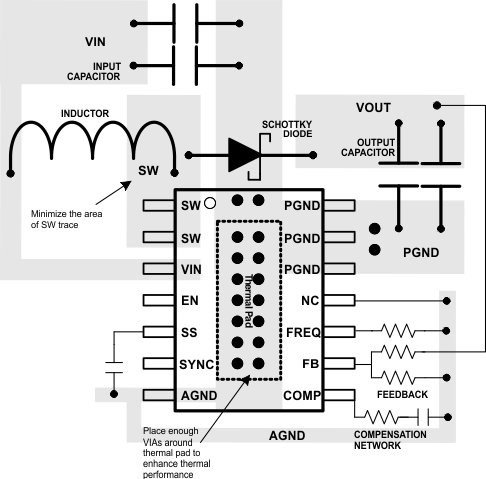
  10. 10Layout
    1. 10.1 Layout Guidelines
    2. 10.2 Layout Example
    3. 10.3 Thermal Considerations
  11. 11Device and Documentation Support
    1. 11.1 Trademarks
    2. 11.2 Electrostatic Discharge Caution
    3. 11.3 Glossary
  12. 12Mechanical, Packaging, and Orderable Information

Package Options

Mechanical Data (Package|Pins)
Thermal pad, mechanical data (Package|Pins)
Orderable Information

Layout Example

TPS61175-Q1 layout_lvs892.gif