SLVSDU1K August   2018  – July 2025 TPS62810-Q1 , TPS62811-Q1 , TPS62812-Q1 , TPS62813-Q1

PRODUCTION DATA  

  1.   1
  2. Features
  3. Applications
  4. Description
  5. Device Comparison Table
  6. Pin Configuration and Functions
  7. Specifications
    1. 6.1 Absolute Maximum Ratings
    2. 6.2 ESD Ratings
    3. 6.3 Recommended Operating Conditions
    4. 6.4 Thermal Information
    5. 6.5 Electrical Characteristics
    6. 6.6 Typical Characteristics
  8. Parameter Measurement Information
    1. 7.1 Schematic
  9. Detailed Description
    1. 8.1 Overview
    2. 8.2 Functional Block Diagram
    3. 8.3 Feature Description
      1. 8.3.1 Precise Enable
      2. 8.3.2 COMP/FSET
      3. 8.3.3 MODE / SYNC
      4. 8.3.4 Spread Spectrum Clocking (SSC)
      5. 8.3.5 Undervoltage Lockout (UVLO)
      6. 8.3.6 Power Good Output (PG)
      7. 8.3.7 Thermal Shutdown
    4. 8.4 Device Functional Modes
      1. 8.4.1 Pulse Width Modulation (PWM) Operation
      2. 8.4.2 Power Save Mode Operation (PWM/PFM)
      3. 8.4.3 100% Duty-Cycle Operation
      4. 8.4.4 Current Limit and Short-Circuit Protection
      5. 8.4.5 Foldback Current Limit and Short-Circuit Protection
      6. 8.4.6 Output Discharge
      7. 8.4.7 Soft Start / Tracking (SS/TR)
  10. Application and Implementation
    1. 9.1 Application Information
      1. 9.1.1 Programming the Output Voltage
      2. 9.1.2 External Component Selection
        1. 9.1.2.1 Inductor Selection
      3. 9.1.3 Capacitor Selection
        1. 9.1.3.1 Input Capacitor
        2. 9.1.3.2 Output Capacitor
    2. 9.2 Typical Application
      1. 9.2.1 Design Requirements
      2. 9.2.2 Detailed Design Procedure
      3. 9.2.3 Application Curves
    3. 9.3 System Examples
      1. 9.3.1 Fixed Output Voltage Versions
      2. 9.3.2 Voltage Tracking
      3. 9.3.3 Synchronizing to an External Clock
    4. 9.4 Power Supply Recommendations
    5. 9.5 Layout
      1. 9.5.1 Layout Guidelines
      2. 9.5.2 Layout Example
  11. 10Device and Documentation Support
    1. 10.1 Device Support
      1. 10.1.1 Third-Party Products Disclaimer
    2. 10.2 Documentation Support
      1. 10.2.1 Related Documentation
    3. 10.3 Receiving Notification of Documentation Updates
    4. 10.4 Support Resources
    5. 10.5 Trademarks
    6. 10.6 Electrostatic Discharge Caution
    7. 10.7 Glossary
  12. 11Revision History
  13. 12Mechanical, Packaging, and Orderable Information

Package Options

Mechanical Data (Package|Pins)
Thermal pad, mechanical data (Package|Pins)
Orderable Information

Schematic

TPS62810-Q1 TPS62811-Q1 TPS62812-Q1 TPS62813-Q1 Measurement Setup for TPS62810-Q1 and TPS62813-Q1Figure 7-1 Measurement Setup for TPS62810-Q1 and TPS62813-Q1
Table 7-1 List of Components
REFERENCEDESCRIPTIONMANUFACTURER (1)
ICTPS62810-Q1 or TPS62813-Q1Texas Instruments
L0.47-µH inductor; XEL4030-471MEBCoilcraft
CIN22 µF / 10 V; GCM31CR71A226KE02LMurata
COUT2 × 22 µF / 10 V; GCM31CR71A226KE02L
+ 1 x×10 µF 6.3 V; GCM188D70J106ME36
Murata
CSS4.7 nF (equal to 1-ms start-up ramp)Any
RCF8.06 kΩAny
CFF10 pFAny
R1Depending on VOUTAny
R2Depending on VOUTAny
R3100 kΩAny
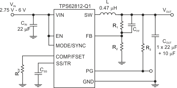
TPS62810-Q1 TPS62811-Q1 TPS62812-Q1 TPS62813-Q1 Measurement Setup for TPS62812-Q1 and TPS62811-Q1Figure 7-2 Measurement Setup for TPS62812-Q1 and TPS62811-Q1
Table 7-2 List of Components
REFERENCEDESCRIPTIONMANUFACTURER (1)
ICTPS62812-Q1 or TPS62811-Q1Texas Instruments
L0.56-µH inductor; XEL4020-561MEBCoilcraft
CIN22 µF / 10 V; GCM31CR71A226KE02LMurata
COUT1 × 22 µF / 10 V; GCM31CR71A226KE02L
+ 1 × 10 µF 6.3 V; GCM188D70J106ME36
Murata
CSS4.7 nF (equal to 1-ms start-up ramp)Any
RCF8.06 kΩAny
CFF10 pFAny
R1Depending on VOUTAny
R2Depending on VOUTAny
R3100 kΩAny