SLVSDU1K August   2018  – July 2025 TPS62810-Q1 , TPS62811-Q1 , TPS62812-Q1 , TPS62813-Q1

PRODUCTION DATA  

  1.   1
  2. Features
  3. Applications
  4. Description
  5. Device Comparison Table
  6. Pin Configuration and Functions
  7. Specifications
    1. 6.1 Absolute Maximum Ratings
    2. 6.2 ESD Ratings
    3. 6.3 Recommended Operating Conditions
    4. 6.4 Thermal Information
    5. 6.5 Electrical Characteristics
    6. 6.6 Typical Characteristics
  8. Parameter Measurement Information
    1. 7.1 Schematic
  9. Detailed Description
    1. 8.1 Overview
    2. 8.2 Functional Block Diagram
    3. 8.3 Feature Description
      1. 8.3.1 Precise Enable
      2. 8.3.2 COMP/FSET
      3. 8.3.3 MODE / SYNC
      4. 8.3.4 Spread Spectrum Clocking (SSC)
      5. 8.3.5 Undervoltage Lockout (UVLO)
      6. 8.3.6 Power Good Output (PG)
      7. 8.3.7 Thermal Shutdown
    4. 8.4 Device Functional Modes
      1. 8.4.1 Pulse Width Modulation (PWM) Operation
      2. 8.4.2 Power Save Mode Operation (PWM/PFM)
      3. 8.4.3 100% Duty-Cycle Operation
      4. 8.4.4 Current Limit and Short-Circuit Protection
      5. 8.4.5 Foldback Current Limit and Short-Circuit Protection
      6. 8.4.6 Output Discharge
      7. 8.4.7 Soft Start / Tracking (SS/TR)
  10. Application and Implementation
    1. 9.1 Application Information
      1. 9.1.1 Programming the Output Voltage
      2. 9.1.2 External Component Selection
        1. 9.1.2.1 Inductor Selection
      3. 9.1.3 Capacitor Selection
        1. 9.1.3.1 Input Capacitor
        2. 9.1.3.2 Output Capacitor
    2. 9.2 Typical Application
      1. 9.2.1 Design Requirements
      2. 9.2.2 Detailed Design Procedure
      3. 9.2.3 Application Curves
    3. 9.3 System Examples
      1. 9.3.1 Fixed Output Voltage Versions
      2. 9.3.2 Voltage Tracking
      3. 9.3.3 Synchronizing to an External Clock
    4. 9.4 Power Supply Recommendations
    5. 9.5 Layout
      1. 9.5.1 Layout Guidelines
      2. 9.5.2 Layout Example
  11. 10Device and Documentation Support
    1. 10.1 Device Support
      1. 10.1.1 Third-Party Products Disclaimer
    2. 10.2 Documentation Support
      1. 10.2.1 Related Documentation
    3. 10.3 Receiving Notification of Documentation Updates
    4. 10.4 Support Resources
    5. 10.5 Trademarks
    6. 10.6 Electrostatic Discharge Caution
    7. 10.7 Glossary
  12. 11Revision History
  13. 12Mechanical, Packaging, and Orderable Information

Package Options

Mechanical Data (Package|Pins)
Thermal pad, mechanical data (Package|Pins)
Orderable Information

Description

The TPS6281x-Q1 is family of pin-to-pin 1A, 2A, 3A, and 4A synchronous automotive step-down DC/DC converters. All devices offer high efficiency and ease of use. The TPS6281x-Q1 family is based on a peak current mode control topology. The TPS6281x-Q1 is designed for automotive applications such as infotainment and advanced driver assistance systems. Low resistive switches allow up to 4A continuous output current at high ambient temperature. The switching frequency is externally adjustable from 1.8MHz to 4MHz and can also be synchronized to an external clock in the same frequency range. In PWM/PFM mode, the TPS6281x-Q1 automatically enter power save mode at light loads to maintain high efficiency across the whole load range. The TPS6281x-Q1 provide 1% output voltage accuracy in PWM mode which helps design a power supply with high output voltage accuracy. The SS/TR pin allows setting the start-up time or forming tracking of the output voltage to an external source. This feature allows external sequencing of different supply rails and limiting the inrush current during start-up.

The TPS6281x-Q1 is available in a 3mm × 2mm VQFN package with wettable flanks.

Device Information
PART NUMBER(2)PACKAGE(1)BODY SIZE (NOM)
TPS62810-Q1RWY (VQFN, 9)3.00mm × 2.00mm
TPS62811-Q1
TPS62812-Q1
TPS62813-Q1
For more information, see Section 12.
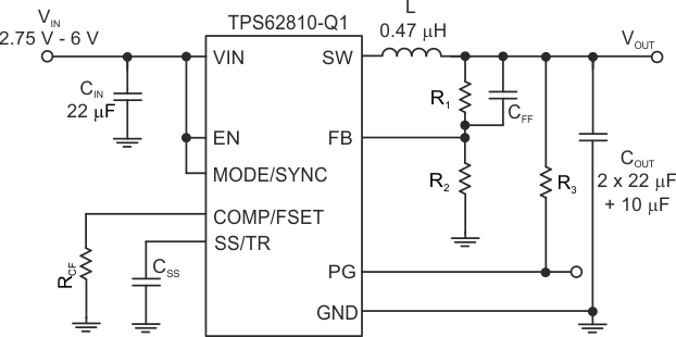
TPS62810-Q1 TPS62811-Q1 TPS62812-Q1 TPS62813-Q1 Simplified SchematicSimplified Schematic
TPS62810-Q1 TPS62811-Q1 TPS62812-Q1 TPS62813-Q1 Efficiency vs Output Current; VOUT = 3.3V; PWM/PFM; fS = 2.25MHzEfficiency vs Output Current; VOUT = 3.3V; PWM/PFM; fS = 2.25MHz