SLVSE03B April   2019  â€“ February 2021 TPS929120-Q1

PRODUCTION DATA  

  1. Features
  2. Applications
  3. Description
  4. Revision History
  5. Pin Configuration and Functions
  6. Specifications
    1. 6.1 Absolute Maximum Ratings
    2. 6.2 ESD Ratings
    3. 6.3 Recommended Operating Conditions
    4. 6.4 Thermal Information
    5. 6.5 Electrical Characteristics
    6. 6.6 Timing Requirements
    7. 6.7 Typical Characteristics
  7. Detailed Description
    1. 7.1 Overview
    2. 7.2 Functional Block Diagram
    3. 7.3 Feature Description
      1. 7.3.1 Device Bias and Power
        1. 7.3.1.1 Power Supply (SUPPLY)
        2. 7.3.1.2 5-V Low-Drop-Out Linear Regulator (VLDO)
        3. 7.3.1.3 Undervoltage Lockout (UVLO) and Power-On-Reset (POR)
        4. 7.3.1.4 Programmable Low Supply Warning
      2. 7.3.2 Constant Current Output
        1. 7.3.2.1 Reference Current With External Resistor (REF)
        2. 7.3.2.2 64-Step Programmable High-Side Constant-Current Output
      3. 7.3.3 PWM Dimming
        1. 7.3.3.1 PWM Dimming Frequency
        2. 7.3.3.2 PWM Generator
        3. 7.3.3.3 Linear Brightness Control
        4. 7.3.3.4 Exponential Brightness Control
        5. 7.3.3.5 External Clock Input for PWM Generator (CLK)
        6. 7.3.3.6 External PWM Input ( PWM0 and PWM1)
      4. 7.3.4 On-chip 8-bit Analog-to-Digital Converter (ADC)
      5. 7.3.5 Diagnostic and Protection in Normal State
        1. 7.3.5.1  Fault Masking
        2. 7.3.5.2  Supply Undervoltage Lockout Diagnostics in Normal State
        3. 7.3.5.3  Low-Supply Warning Diagnostics in Normal State
        4. 7.3.5.4  Reference Diagnostics in Normal State
        5. 7.3.5.5  Pre-Thermal Warning and Overtemperature Protection in Normal State
        6. 7.3.5.6  Communication Loss Diagnostic in Normal State
        7. 7.3.5.7  LED Open-Circuit Diagnostics in Normal State
        8. 7.3.5.8  LED Short-circuit Diagnostics in Normal State
        9. 7.3.5.9  On-Demand Off-State Invisible Diagnostics
        10. 7.3.5.10 On-Demand Off-State Single-LED Short-Circuit (SS) Diagnostics
        11. 7.3.5.11 Automatic Single-LED Short-Circuit (AutoSS) Detection in Normal State
        12. 7.3.5.12 EEPROM CRC Error in Normal State
        13.       47
      6. 7.3.6 Diagnostic and Protection in Fail-Safe States
        1. 7.3.6.1 Fault Masking
        2. 7.3.6.2 Supply UVLO Diagnostics in Fail-Safe States
        3. 7.3.6.3 Low-supply Warning Diagnostics in Fail-Safe states
        4. 7.3.6.4 Reference Diagnostics at Fail-Safe States
        5. 7.3.6.5 Overtemperature Protection in Fail-Safe State
        6. 7.3.6.6 LED Open-circuit Diagnostics in Fail-Safe State
        7. 7.3.6.7 LED Short-circuit Diagnostics in Fail-safe State
        8. 7.3.6.8 EEPROM CRC Error in Fail-safe State
        9.       57
    4. 7.4 Device Functional Modes
      1. 7.4.1 POR State
      2. 7.4.2 Initialization State
      3. 7.4.3 Normal State
      4. 7.4.4 Fail-Safe States
      5. 7.4.5 Program State
      6. 7.4.6 Programmable Output Failure State
      7. 7.4.7 ERR Output
      8. 7.4.8 Register Default Data
    5. 7.5 Programming
      1. 7.5.1 FlexWire Protocol
        1. 7.5.1.1 Protocol Overview
        2. 7.5.1.2 UART Interface Address Setting
        3. 7.5.1.3 Status Response
        4. 7.5.1.4 Synchronization Byte
        5. 7.5.1.5 Device Address Byte
        6. 7.5.1.6 Register Address Byte
        7. 7.5.1.7 Data Frame
        8.       76
        9. 7.5.1.8 CRC Frame
        10. 7.5.1.9 Burst Mode
      2. 7.5.2 Registers Lock
      3. 7.5.3 All Registers CRC Check
      4. 7.5.4 EEPROM Programming
        1. 7.5.4.1 Chip Selection by Pulling REF Pin High
        2. 7.5.4.2 Chip Selection by ADDR Pins configuration
        3. 7.5.4.3 EEPROM Register Access and Burn
        4. 7.5.4.4 EEPROM Program State Exit
        5. 7.5.4.5 Reading Back EEPROM
    6. 7.6 Register Maps
      1. 7.6.1 FullMap Registers
  8. Application and Implementation
    1. 8.1 Application Information
    2. 8.2 Typical Application
      1. 8.2.1 Smart Rear Lamp With Distributed LED drivers
      2. 8.2.2 Design Requirements
      3. 8.2.3 Detailed Design Procedure
      4. 8.2.4 Application Curves
  9. Power Supply Recommendations
  10. 10Layout
    1. 10.1 Layout Guidelines
    2. 10.2 Layout Example
  11. 11Device and Documentation Support
    1. 11.1 Receiving Notification of Documentation Updates
    2. 11.2 Support Resources
    3. 11.3 Trademarks
    4. 11.4 Electrostatic Discharge Caution
    5. 11.5 Glossary
  12. 12Mechanical, Packaging, and Orderable Information

Package Options

Mechanical Data (Package|Pins)
Thermal pad, mechanical data (Package|Pins)
Orderable Information

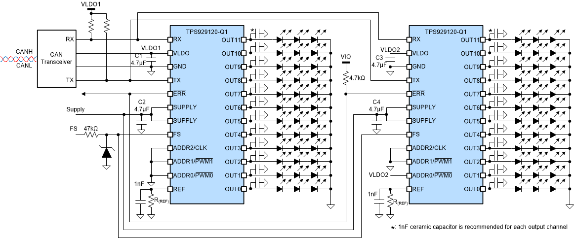
Smart Rear Lamp With Distributed LED drivers

Use multiple TPS929120-Q1 device to control large numbers of LED pixels for rear-lamp animation.

GUID-D4924295-5A8A-49F5-82ED-E37220D76794-low.gifFigure 8-1 System Block Diagram
GUID-324A54A1-5DE7-45DF-BDC4-CC68B8BBB648-low.gifFigure 8-2 Typical Application Schematic