SLRS027T December   1976  – March 2025 ULN2002A , ULN2003A , ULN2003AI , ULN2004A , ULQ2003A , ULQ2004A

PRODUCTION DATA  

  1.   1
  2. Features
  3. Applications
  4. Description
  5. Pin Configuration and Functions
  6. Specifications
    1. 5.1  Absolute Maximum Ratings
    2. 5.2  ESD Ratings
    3. 5.3  Recommended Operating Conditions
    4. 5.4  Thermal Information
    5. 5.5  Electrical Characteristics: ULN2002A
    6. 5.6  Electrical Characteristics: ULN2003A and ULN2004A
    7. 5.7  Electrical Characteristics: ULN2003AI
    8. 5.8  Electrical Characteristics: ULN2003AI
    9. 5.9  Electrical Characteristics: ULQ2003A and ULQ2004A
    10. 5.10 Switching Characteristics: ULN2002A, ULN2003A, ULN2004A
    11. 5.11 Switching Characteristics: ULN2003AI
    12. 5.12 Switching Characteristics: ULN2003AI
    13. 5.13 Switching Characteristics: ULQ2003A, ULQ2004A
    14. 5.14 Typical Characteristics
  7. Parameter Measurement Information
  8. Detailed Description
    1. 7.1 Overview
    2. 7.2 Functional Block Diagrams
    3. 7.3 Feature Description
    4. 7.4 Device Functional Modes
      1. 7.4.1 Inductive Load Drive
      2. 7.4.2 Resistive Load Drive
  9. Application and Implementation
    1. 8.1 Application Information
    2. 8.2 Typical Application
      1. 8.2.1 Design Requirements
      2. 8.2.2 Detailed Design Procedure
        1. 8.2.2.1 Drive Current
        2. 8.2.2.2 Low-Level Output Voltage
        3. 8.2.2.3 Power Dissipation and Temperature
      3. 8.2.3 Application Curves
    3. 8.3 System Examples
    4. 8.4 Power Supply Recommendations
    5. 8.5 Layout
      1. 8.5.1 Layout Guidelines
      2. 8.5.2 Layout Example
  10. Device and Documentation Support
    1. 9.1 Documentation Support
      1. 9.1.1 Related Documentation
    2. 9.2 Related Links
    3. 9.3 Receiving Notification of Documentation Updates
    4. 9.4 Support Resources
    5. 9.5 Trademarks
    6. 9.6 Electrostatic Discharge Caution
    7. 9.7 Glossary
  11. 10Revision History
  12. 11Mechanical, Packaging, and Orderable Information

Package Options

Refer to the PDF data sheet for device specific package drawings

Mechanical Data (Package|Pins)
  • PW|16
  • DYY|16
  • NS|16
  • N|16
  • D|16
Thermal pad, mechanical data (Package|Pins)
Orderable Information

System Examples

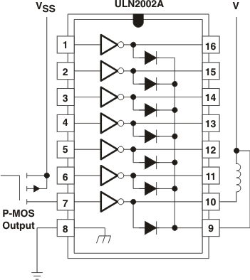
ULN2002A ULN2003A ULN2003AI ULQ2003A ULN2004A ULQ2004A P-MOS to LoadFigure 8-4 P-MOS to Load
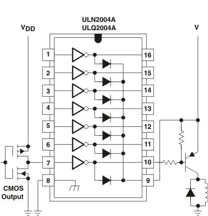
ULN2002A ULN2003A ULN2003AI ULQ2003A ULN2004A ULQ2004A Buffer for Higher Current LoadsFigure 8-6 Buffer for Higher Current Loads
ULN2002A ULN2003A ULN2003AI ULQ2003A ULN2004A ULQ2004A TTL to LoadFigure 8-5 TTL to Load
ULN2002A ULN2003A ULN2003AI ULQ2003A ULN2004A ULQ2004A Use of Pullup Resistors to Increase Drive CurrentFigure 8-7 Use of Pullup Resistors to Increase Drive Current