JAJSG82A November   2015  – September 2018

PRODUCTION DATA.  

  1. 特長
  2. アプリケーション
  3. 概要
    1.     Device Images
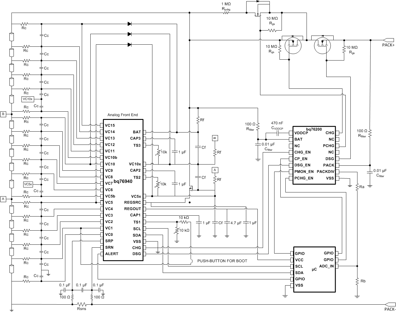
      1.      概略回路図
  4. 改訂履歴
  5. Pin Configuration and Functions
    1.     Pin Functions
  6. Specifications
    1. 6.1 Absolute Maximum Ratings
    2. 6.2 ESD Ratings
    3. 6.3 Recommended Operating Conditions
    4. 6.4 Thermal Information
    5. 6.5 Electrical Characteristics
    6. 6.6 Timing Requirements
    7. 6.7 Typical Characteristics
  7. Detailed Description
    1. 7.1 Overview
    2. 7.2 Functional Block Diagram
    3. 7.3 Feature Description
      1. 7.3.1 Charge Pump Control
      2. 7.3.2 Pin Enable Controls
        1. 7.3.2.1 External Control of CHG and DSG Output Drivers
        2. 7.3.2.2 External Control of PCHG Output Driver
        3. 7.3.2.3 Pack Monitor Enable
    4. 7.4 Device Functional Modes
  8. Application and Implementation
    1. 8.1 Application Information
      1. 8.1.1 Recommended System Implementation
        1. 8.1.1.1 The bq76200 is a Slave Device
        2. 8.1.1.2 Flexible Control via AFE or via MCU
        3. 8.1.1.3 Scalable VDDCP Capacitor to Support Multiple FETs in Parallel
        4. 8.1.1.4 Pre-Charge and Pre-Discharge Support
        5. 8.1.1.5 Optional External Gate Resistor
        6. 8.1.1.6 Separate Charge and Discharge paths
    2. 8.2 Typical Applications
      1. 8.2.1 Design Requirements
      2. 8.2.2 Detailed Design Procedure
      3. 8.2.3 Application Curves
  9. Power Supply Recommendations
  10. 10Layout
    1. 10.1 Layout Guidelines
    2. 10.2 Layout Example
  11. 11デバイスおよびドキュメントのサポート
    1. 11.1 ドキュメントのサポート
      1. 11.1.1 関連資料
    2. 11.2 コミュニティ・リソース
    3. 11.3 商標
    4. 11.4 静電気放電に関する注意事項
    5. 11.5 Glossary
  12. 12メカニカル、パッケージ、および注文情報

パッケージ・オプション

メカニカル・データ(パッケージ|ピン)
サーマルパッド・メカニカル・データ
発注情報

Typical Applications

bq76200 Typ_App2.gif