JAJSKG5B February   2020  – August 2021 DRV8220

PRODUCTION DATA  

  1. 特長
  2. アプリケーション
  3. 概要
  4. 改訂履歴
  5. デバイスの比較
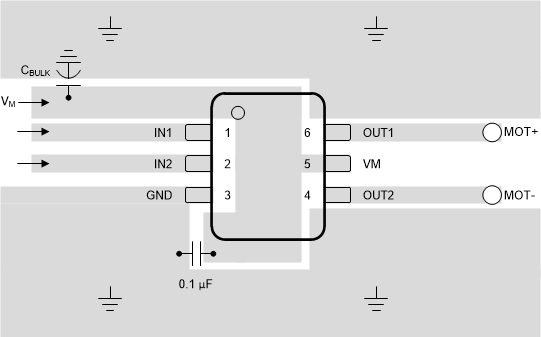
  6. ピン構成および機能
  7. 仕様
    1. 7.1 絶対最大定格
    2. 7.2 ESD 定格
    3. 7.3 推奨動作条件
    4. 7.4 熱に関する情報
    5. 7.5 電気的特性
    6. 7.6 の標準特性
  8. 詳細説明
    1. 8.1 概要
    2. 8.2 機能ブロック図
    3. 8.3 機能説明
      1. 8.3.1 外付け部品
      2. 8.3.2 制御モード
        1. 8.3.2.1 PWM 制御モード (DSG:MODE = 0 かつ DRL)
        2. 8.3.2.2 PH/EN 制御モード (DSG: MODE = 1)
        3. 8.3.2.3 ハーフブリッジ制御モード (DSG: MODE = Hi-Z)
      3. 8.3.3 保護回路
        1. 8.3.3.1 電源の低電圧誤動作防止 (UVLO)
        2. 8.3.3.2 OUTx 過電流保護 (OCP)
        3. 8.3.3.3 過熱検出保護 (TSD)
      4. 8.3.4 ピン構造図
        1. 8.3.4.1 ロジックレベル入力
        2. 8.3.4.2 トライレベル入力
    4. 8.4 デバイスの機能モード
      1. 8.4.1 アクティブ・モード
      2. 8.4.2 低消費電力スリープ・モード
      3. 8.4.3 フォルト・モード
  9. アプリケーションと実装
    1. 9.1 アプリケーション情報
    2. 9.2 代表的なアプリケーション
      1. 9.2.1 フルブリッジ駆動
        1. 9.2.1.1 設計要件
        2. 9.2.1.2 詳細な設計手順
          1. 9.2.1.2.1 電源電圧
          2. 9.2.1.2.2 制御インターフェイス
          3. 9.2.1.2.3 低消費電力動作
        3. 9.2.1.3 アプリケーション曲線
      2. 9.2.2 ハーフブリッジ駆動
        1. 9.2.2.1 設計要件
        2. 9.2.2.2 詳細な設計手順
          1. 9.2.2.2.1 電源電圧
          2. 9.2.2.2.2 制御インターフェイス
          3. 9.2.2.2.3 低消費電力動作
        3. 9.2.2.3 アプリケーション曲線
      3. 9.2.3 デュアルコイル・リレーの駆動
        1. 9.2.3.1 設計要件
        2. 9.2.3.2 詳細な設計手順
          1. 9.2.3.2.1 電源電圧
          2. 9.2.3.2.2 制御インターフェイス
          3. 9.2.3.2.3 低消費電力動作
        3. 9.2.3.3 アプリケーション曲線
      4. 9.2.4 電流センス
        1. 9.2.4.1 設計要件
        2. 9.2.4.2 詳細な設計手順
          1. 9.2.4.2.1 シャント抵抗の決定
          2. 9.2.4.2.2 RCフィルタ
    3. 9.3 電流能力と熱性能
      1. 9.3.1 消費電力および出力電流特性
      2. 9.3.2 熱性能
        1. 9.3.2.1 定常状態熱性能
        2. 9.3.2.2 過渡熱性能
  10. 10電源に関する推奨事項
    1. 10.1 バルク容量
  11. 11レイアウト
    1. 11.1 レイアウトのガイドライン
    2. 11.2 レイアウト例
  12. 12デバイスおよびドキュメントのサポート
    1. 12.1 ドキュメントのサポート
      1. 12.1.1 関連資料
    2. 12.2 Receiving Notification of Documentation Updates
    3. 12.3 サポート・リソース
    4. 12.4 商標
    5. 12.5 Electrostatic Discharge Caution
    6. 12.6 Glossary
  13. 13メカニカル、パッケージ、および注文情報

パッケージ・オプション

メカニカル・データ(パッケージ|ピン)
サーマルパッド・メカニカル・データ
発注情報

レイアウト例

GUID-20201125-CA0I-QHRZ-N2Z4-ZS0WVZFCCN6T-low.gif図 11-1 ビアなしでの DRL パッケージの簡略化されたレイアウト例
図 11-2 銅面積が大きく放熱特性に優れた、 DRL パッケージの簡略化されたレイアウト例
GUID-20201125-CA0I-6RCR-75N7-ZT6QNS8CWCPC-low.gif図 11-3 DSG パッケージの簡略化されたレイアウト例