JAJSMX0 September   2020 INA848

PRODUCTION DATA  

  1. 特長
  2. アプリケーション
  3. 概要
  4. Revision History
  5. Device Comparison Table
  6. Pin Configuration and Functions
  7. Specifications
    1. 7.1 Absolute Maximum Ratings
    2. 7.2 ESD Ratings
    3. 7.3 Recommended Operating Conditions
    4. 7.4 Thermal Information
    5. 7.5 Electrical Characteristics
    6. 7.6 Typical Characteristics
  8. Detailed Description
    1. 8.1 Overview
    2. 8.2 Functional Block Diagram
    3. 8.3 Feature Description
      1. 8.3.1 Topology
      2. 8.3.2 Input Common-Mode Range
      3. 8.3.3 Input Protection
    4. 8.4 Device Functional Modes
  9. Application and Implementation
    1. 9.1 Application Information
      1. 9.1.1 Filter Pin
        1. 9.1.1.1 RC Filter Network
        2. 9.1.1.2 RLC Filter Network
      2. 9.1.2 Input Bias Current Return Path
    2. 9.2 Typical Application
      1. 9.2.1 Design Requirements
      2. 9.2.2 Detailed Design Procedure
        1. 9.2.2.1 Reference Pin
        2. 9.2.2.2 Noise Analysis
          1. 9.2.2.2.1 Reference Voltage Noise Contribution
      3. 9.2.3 Application Curves
  10. 10Power Supply Recommendations
  11. 11Layout
    1. 11.1 Layout Guidelines
    2. 11.2 Layout Example
  12. 12Device and Documentation Support
    1. 12.1 Documentation Support
      1. 12.1.1 Related Documentation
    2. 12.2 Receiving Notification of Documentation Updates
    3. 12.3 サポート・リソース
    4. 12.4 Trademarks
    5. 12.5 静電気放電に関する注意事項
    6. 12.6 用語集
  13. 13Mechanical, Packaging, and Orderable Information

パッケージ・オプション

メカニカル・データ(パッケージ|ピン)
サーマルパッド・メカニカル・データ
発注情報

概要

INA848 は、超小型、高速、差動入力信号などの高精度測定向けに最適化された固定ゲイン計測アンプです。TI のスーパーベータ・トポロジは、非常に低い入力バイアス電流と電流ノイズを実現します。適切にマッチングされたトランジスタにより、非常に低いオフセットおよびオフセット・ドリフトを実現できます。内部抵抗のマッチングにより、全入力電圧範囲で 132dB の高い同相除去比と、5 ppm/℃ (最大値) の非常に低いゲイン・ドリフト誤差を実現します。

INA848 の電流帰還トポロジは、 2000 の固定ゲインで 2.8MHz の広い帯域幅が得られるため、以後のゲイン段が不要になります。ノイズ・フロアが 1.3nV/√Hz と非常 に低いため、高分解能のA/D コンバータ (ADC) と接続するときの等価ビット数 (ENOB) の影響を最小化できます。INA848 は、ゲイン段 (ピン 2 と 3) の間にフィルタを追加して十分な信号整合性を維持するという柔軟性を備えています。

これらのINA848 独自の機能により、ハイエンド医療用計測機器、脳波計、振動センシング、変位測定など、高精度の測定が必要なアプリケーションに適しています。

このデバイスは、8V~36V の単一電源、または ±4V~±18Vのデュアル電源用に設計されています。

製品情報
部品番号(1)パッケージ本体サイズ (公称)
INA848SOIC (8)4.90mm × 3.91mm
提供されているすべてのパッケージについては、データシートの末尾にあるパッケージ・オプションについての付録を参照してください。
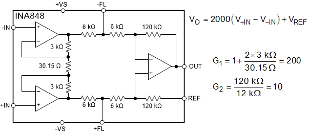
GUID-6C77C25A-5A79-4DC2-ADA0-C00F0DBDE1F9-low.gifINA818 の簡略化された内部回路図
入力オフセット電圧ドリフトの代表的な分布