JAJSGP3A December   2018  – December 2019 OPA462

PRODUCTION DATA.  

  1. 特長
  2. アプリケーション
  3. 概要
    1.     Device Images
      1.      OPA462 ブロック図
      2.      最大出力電圧と周波数との関係
  4. 改訂履歴
  5. Pin Configuration and Functions
    1.     Pin Functions
  6. Specifications
    1. 6.1 Absolute Maximum Ratings
    2. 6.2 ESD Ratings
    3. 6.3 Recommended Operating Conditions
    4. 6.4 Thermal Information
    5. 6.5 Electrical Characteristics
    6. 6.6 Typical Characteristics: Table of Graphs
    7. 6.7 Typical Characteristics
  7. Detailed Description
    1. 7.1 Overview
    2. 7.2 Functional Block Diagram
    3. 7.3 Feature Description
      1. 7.3.1 Status Flag Pin
      2. 7.3.2 Thermal Protection
      3. 7.3.3 Current Limit
      4. 7.3.4 Enable and Disable
    4. 7.4 Device Functional Modes
  8. Application and Implementation
    1. 8.1 Application Information
    2. 8.2 Typical Applications
      1. 8.2.1 High DAC Gain Stage for Semiconductor Test Equipment
        1. 8.2.1.1 Design Requirements
        2. 8.2.1.2 Detailed Design Procedure
        3. 8.2.1.3 Application Curve
      2. 8.2.2 Improved Howland Current Pump for Bioimpedance Measurements in Multiparameter Patient Monitors
        1. 8.2.2.1 Design Requirements
        2. 8.2.2.2 Detailed Design Procedure
  9. Power Supply Recommendations
  10. 10Layout
    1. 10.1 Layout Guidelines
      1. 10.1.1 Thermally-Enhanced PowerPAD Package
      2. 10.1.2 PowerPAD Integrated Circuit Package Layout Guidelines
      3. 10.1.3 Pin Leakage
      4. 10.1.4 Thermal Protection
      5. 10.1.5 Power Dissipation
      6. 10.1.6 Heat Dissipation
    2. 10.2 Layout Example
  11. 11デバイスおよびドキュメントのサポート
    1. 11.1 デバイス・サポート
      1. 11.1.1 開発サポート
        1. 11.1.1.1 TINA-TI™ (無料のダウンロード・ソフトウェア)
        2. 11.1.1.2 TI Precision Designs
        3. 11.1.1.3 WEBENCH Filter Designer
    2. 11.2 ドキュメントのサポート
      1. 11.2.1 関連資料
    3. 11.3 サポート・リソース
    4. 11.4 商標
    5. 11.5 静電気放電に関する注意事項
    6. 11.6 Glossary
  12. 12メカニカル、パッケージ、および注文情報

パッケージ・オプション

メカニカル・データ(パッケージ|ピン)
サーマルパッド・メカニカル・データ
発注情報

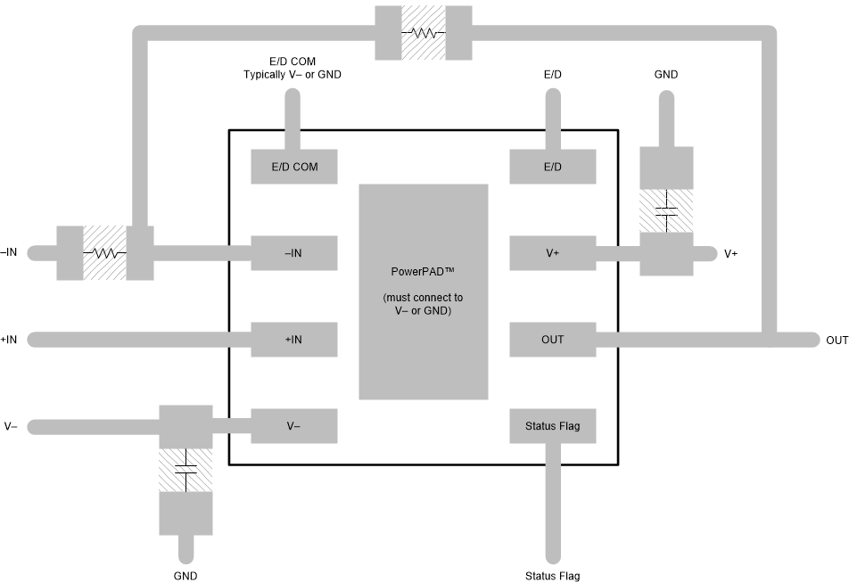
Layout Example

OPA462 opa462-layout-example.gifFigure 70. OPA462 Layout Example