SLAA901 July   2020  – MONTH  TAS2555 , TAS2557 , TAS2559 , TAS2560 , TAS2562 , TAS2563 , TAS2564 , TAS2764 , TAS2770 , TAS2780 , TAS2781

 

  1. 1Trademarks
  2. 2Introduction
  3. 3Filter Design
    1. 3.1 Filter Cutoff Frequency Selection
    2. 3.2 Capacitance Only Filter Impact on Efficiency
  4. 4References

Filter Cutoff Frequency Selection

When not utilizing post filter feedback, it is generally considered safe to set the filter corner frequency at or above 1.5 MHz. For example, TAS2770 outputs may each switch independently at 384 kHz. Additionally TAS2562,TAS2563, and TAS2564 all switch at this same output frequency. Depending on the alignment of these pulses we can see up to 768 kHz maximum effective switching frequency. If we double this frequency to ensure good signal fidelity we find a roughly calculated starting corner frequency near 1.5 MHz.

Depending on system design and overall component selection flexibility, it may be necessary to attempt setting the corner frequency below 1.5 MHz in order to meet emission requirements. It is possible to successfully design a filter below this frequency, but it may require iterative checks toevaluate noise emissions and overall device performance.

When considering a cutoff frequency below 1.5 MHz, the impedance of the filter at the Class-D switching frequency and at its first few multiples (harmonics) will be critical. If the filter does have a resonance at one of these frequencies, then it may draw higher currents. While the speaker itself will help to reduce peaking at this resonant point, we may still see enough energy to result in high frequency ringing. It is also noteworthy that the internally generated clock frequency may vary by +/-10%, which will widen the range of frequencies where care should be taken.

This ringing by itself will be outside the audio band and should not cause audible noise, but when voltage sense lines are connected to provide feedback to the device it may cause a few undesired effects. Ringing that peaks too high may cause the ESD protection diodes for the V sense pins to draw leakage current and it can cause internal filters to saturate and limit THD+N performance. Both of these are undersirable effects, but can mitigated by adding extra resistance of 1kOhm - 4.7 kOhms on the V sense path.

It is also helpful to reduce any high frequency ringing caused by the filter by carefully designing the filter Q-factor. High Q-factor responses will result with more ringing. When viewing a Bode plot of a filterresponse, we will expect to see more gain peaking around the cut-off frequency when the Q-factor is high. To aid with filter design, please download the LC Filter Calculator Tool.

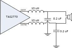
An example of a known successful output filter on TAS2770 is shown below:

GUID-20200710-SS0I-MF7R-J7PW-6QHCLXXFDMHN-low.gif Figure 3-1 TAS2770 - 113-kHz Output Filter

It is useful to consider that the power supplied to the output will also be travelling along the battery supply line. Often, noise that appears related to output switching might actually be radiating from supply connections. Improved decoupling and proper supply design may help significantly reduce emissions without requiring aggressive filtering on the Class-D outputs.