SLLU166A June   2012  – September 2022 ISO1540 , ISO1540-Q1 , ISO1541 , ISO1541-Q1

 

  1. 1Introduction
    1. 1.1 Overview
    2. 1.2 ISO154xEVM Kit Contents
    3. 1.3 Functional Configuration
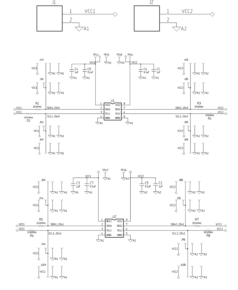
    4. 1.4 EVM Schematic
  2. 2EVM Setup and Operation
    1. 2.1 Overview
    2. 2.2 Input/Output Signal Characteristics
  3. 3Bill of Materials
  4. 4ISO154xEVM Layout
  5. 5Revision History

EVM Schematic

A schematic diagram for this EVM is presented in Figure 1-3.

GUID-F526DDAB-35CE-4C50-96C8-A11A9EE9D205-low.gifFigure 1-3 ISO154xEVM Schematic
Table 1-1 ISO154xEVM Description
LabelDescription
U1ISO154x, by default populated as ISO1540
U2ISO154x, by default populated as ISO1541
J1Side 1 power supply terminal block (VCC1)
J2Side 2 power supply terminal block (VCC2)
TP15, TP47Side 1 GND test point (GND1)
TP18, TP34Side 2 GND test point (GND2)
TP13VCC1 test point
TP16VCC2 test point
J3A, J4A4-pin jumper to VCC1, SDA1, GND1 for U1
J5A, J6A4-pin jumper to VCC1, SCL1, GND1 for U1
J3B, J4B4-pin jumper to VCC2, SDA2, GND2 for U1
J5B, J6B4-pin jumper to VCC2, SCL2, GND2 for U1
J7A, J8A4-pin jumper to VCC1, SDA1, GND1 for U2
J9A, J10A4-pin jumper to VCC1, SCL1, GND1 for U2
J7B, J8B4-pin jumper to VCC2, SDA2, GND2 for U2
J9B, J10B4-pin jumper to VCC2, SCL2, GND2 for U2
C1, C2, C3, C41.0 µF filter capacitor
C5, C6, C7, C80.1 µF filter capacitor
R1, R2, R5, R61-kΩ 0603 footprint pull-up resistor to VCC1
R3, R4, R7, R81-kΩ 0603 footprint pull-up resistor to VCC2