SLOA207A November   2014  – November 2021 DRV2603 , DRV2604 , DRV2604L , DRV2605 , DRV2605L , DRV2624 , DRV2625

 

  1.   Trademarks
  2. 1Introduction
  3. 2Actuator Description
    1. 2.1 Eccentric Rotating-Mass (ERM) Actuators
    2. 2.2 Brush-Less Direct Current (BLDC) Actuator Module
    3. 2.3 Linear Resonance Actuators (LRA)
  4. 3Design Considerations
    1. 3.1 Braking
    2. 3.2 Overdrive
    3. 3.3 Headroom
    4. 3.4 Resonance Tracking for LRA
    5. 3.5 Power Consumption
  5. 4Actuator Comparison
  6. 5Revision History

Linear Resonance Actuators (LRA)

Linear resonant actuators (LRAs) are resonant systems that will produce vibration when exercised at or near its resonance frequency. LRAs vibrate optimally at the resonant frequency and tend to have a high-Q frequency response which translates into a rapid drop in vibration performance at small offsets from the resonant frequency (typically of 3 to 5 Hz). A typical acceleration versus frequency profile is shown in Figure 2-4. Many factors also cause a shift or drift in the resonant frequency of the actuator such as temperature, aging, the mass of the product to which the LRA is mounted, and in the case of a portable product, the manner in which the product is held. Furthermore, as the actuator is driven to the maximum allowed voltage, many LRAs will shift several hertz in frequency because of mechanical compression. All of these factors make a real-time tracking auto-resonant algorithm critical when driving LRA to achieve consistent, optimized performance.

GUID-51DEABF0-8F14-4FC5-9649-6C65F3920FA3-low.gifFigure 2-4 LRA Acceleration Versus Frequency Response

Braking is possible with LRA actuators, and its achieved by driving the LRA with 180° of phase shift. LRAs can also be overdriven for a short amount of time to decrease the "start-time" and "brake-time". Refer to the data sheet of the actuator for safe and reliable overdrive voltage and duration.

LRAs tend to be of the coin type, but there are other form factors available. Technological innovation has made possible the shrinkage of LRA actuators to heights of 2.5 mm, and diameters of 8 mm, making LRA actuators one of the best choices for mobile and wearable devices.

Given that LRAs lack the brushes present in ERMs, they tend to consume less power for a given amount of vibration strength when operated at resonance frequency. For more information on energy consumption for haptics, refer to (SLOA194).

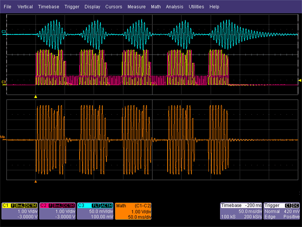
LRAs tend to have a faster response time than ERM and BLDC actuators, which together with optimum overdrive and braking makes possible very quick, sharp effects, such as the "pulsing" effect shown in Figure 2-5.

GUID-235771B6-7E56-43ED-8B8C-EBE6B72C2E6A-low.gifFigure 2-5 LRA Pulsing Waveform
GUID-760D6DE9-6F68-492A-88F4-9B48D9D98343-low.gifFigure 2-6 ERM Pulsing Waveform