SLOA207A November   2014  – November 2021 DRV2603 , DRV2604 , DRV2604L , DRV2605 , DRV2605L , DRV2624 , DRV2625

 

  1.   Trademarks
  2. 1Introduction
  3. 2Actuator Description
    1. 2.1 Eccentric Rotating-Mass (ERM) Actuators
    2. 2.2 Brush-Less Direct Current (BLDC) Actuator Module
    3. 2.3 Linear Resonance Actuators (LRA)
  4. 3Design Considerations
    1. 3.1 Braking
    2. 3.2 Overdrive
    3. 3.3 Headroom
    4. 3.4 Resonance Tracking for LRA
    5. 3.5 Power Consumption
  5. 4Actuator Comparison
  6. 5Revision History

Actuator Comparison

Measurements between ERMs, LRAs and BLDCs were taken for comparison. ERM and LRA actuators were driven with the DRV2605 driver from TI. The BLDC module was powered by a simple FET circuit, as shown in Figure 4-1. This data is representative of all DRV260x and DRV262x devices, but all measurements were taken with the DRV2605.

GUID-BFB91184-EC24-4338-BDDD-F5382D2B12E7-low.gifFigure 4-1 Circuit for Driving the BLDC

Alert waveforms comparing 4 different actuators are shown in Figure 4-2, Figure 4-3, Figure 4-4, and Figure 4-5.

GUID-2F05000F-D694-4CB4-AB8D-4C03E298694A-low.gifFigure 4-2 LRA Alert Waveform - AAC1030
GUID-C220CBE4-CDE3-4425-A74B-BB75A483BEC5-low.gifFigure 4-4 ERM Alert Waveform - NRS2574i
GUID-E128A073-353F-4C09-94B5-26B18E0675FC-low.gifFigure 4-3 LRA Alert Waveform - SEMCO0832
GUID-400E504B-83D6-4307-8E3B-5029DE832A4B-low.gifFigure 4-5 BLDC Alert Waveform

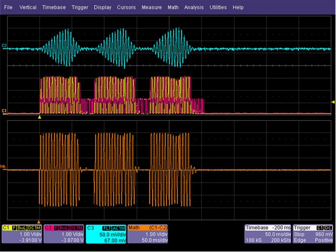
Triple click waveforms comparing 3 different actuators are shown in Figure 4-6, Figure 4-7, and Figure 4-8 (BLDC modules cannot do clicks).

GUID-50950E5D-2B45-47F5-BEC9-78D7D62F4F9F-low.gifFigure 4-6 LRA Triple Click Waveform - AAC1030
GUID-6D9BE8F1-574E-4293-80F1-864F36FFE056-low.gifFigure 4-7 LRA Triple Click Waveform - SEMCO0832
GUID-9EAF459D-ED8B-494E-912D-74AF18085F95-low.gifFigure 4-8 ERM Triple Click Waveform - NRS2574i

Current consumption versus battery voltage, and acceleration versus battery voltage are shown in Figure 4-9, Figure 4-10, Figure 4-11, and Figure 4-12 (measurements related to ERM and LRA were taken using the DRV2605 driver from TI). Since in some instances the acceleration used as comparison is not attainable due to actuator or system limitations, the acceleration plots are also provided.

GUID-2FFEA7CA-9243-47F6-AEB2-86FDECBC82E4-low.gifFigure 4-9 Current Consumption Comparison With 1 G of Acceleration
GUID-FC0B23B1-B1C4-4297-8521-3C5D927DCBB4-low.gifFigure 4-10 Acceleration Comparison With 1 G of Acceleration
GUID-C7DD2097-03D3-4923-AF56-35649ED255CE-low.gifFigure 4-11 Current Consumption Comparison With Maximum Acceleration
GUID-045D8CEF-C327-48AE-8E86-4AFB7B44CE68-low.gifFigure 4-12 Acceleration Comparison With Maximum Acceleration

Table 4-1 shows the comparson of start-time, brake-time, and acceleration performance. Note that when it comes to start-time and brake-time, smaller is better.

Table 4-1 Actuator Comparison Table With VBAT = 3.6 V
ACTUATOR/DRIVERBLDC/FETNRS2571i/DRV2605AAC1030/DRV2605SEMCO0832/DRV2605
Start-Time [ms]400474393
Brake-Time [ms]350371724
Maximum Acceleration [g]0.950.751.251.75
Efficiency [g/W]4.853.956.259.71