SLVA478C October   2013  – November 2022 TPS62120 , TPS62122

 

  1.   Using the TPS62120 in an Inverting Buck-Boost Topology
  2.   Trademarks
  3. 1Inverting Buck-Boost Topology
    1. 1.1 Design Considerations
    2. 1.2 Concept
    3. 1.3 Output Current Calculations
    4. 1.4 VIN and VOUT Range
  4. 2Digital Pin Configurations
    1. 2.1 Enable Pin
    2. 2.2 SGND Pin
    3. 2.3 Power Good Pin
  5. 3Startup Behavior and Switching Node Consideration
  6. 4External Component Selection
    1. 4.1 Inductor Selection
    2. 4.2 Input Capacitor Selection
    3. 4.3 Selecting L and COUT for Stability
  7. 5Typical Performance and Waveforms
  8. 6Conclusion
  9. 7References
  10. 8Revision History

Concept

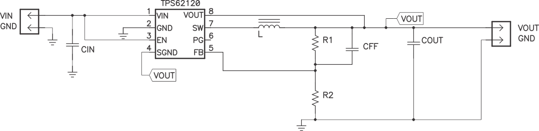
The inverting buck-boost topology is very similar to the buck topology. In the buck configuration shown in Figure 1-1, the positive connection (VOUT) is connected to the inductor and the return connection is connected to the integrated circuit (IC) ground. However, in the inverting buck boost configuration shown in Figure 1-2, the IC ground is used as the negative output voltage pin (labeled as –VOUT ). What used to be the positive output in the buck configuration is used as the ground (GND). This inverting topology allows the output voltage to be inverted and is always lower than the ground.

GUID-7EEBDB52-A17E-473C-A76A-6FD3407D87DF-low.gifFigure 1-1 TPS62120 Buck Topology
GUID-3F8E5BEE-E036-4C80-8834-5B5DC223F395-low.gifFigure 1-2 TPS62120 Inverting Buck-Boost Topology

The circuit operation is different in the inverting buck boost topology than in the buck topology. Figure 1-3 (a) illustrates that the output voltage terminals are reversed, though the components are wired the same as a buck converter. During the on time of the control MOSFET, shown in Figure 1-3 (b), the inductor is charged with current while the output capacitor supplies the load current. The inductor does not provide current to the load during that time. During the off time of the control MOSFET and the on time of the synchronous MOSFET, shown in Figure 1-3 (c), the inductor provides current to the load and the output capacitor. These changes affect many parameters described in the upcoming sections.

GUID-EAA32048-D76A-4E94-B3B5-69C2CDCBE7FB-low.gifFigure 1-3 Inverting Buck-Boost Configuration