SLVAF64A July   2021  – November 2022 TPS62800 , TPS62801 , TPS62802 , TPS62806 , TPS62807 , TPS62808 , TPS62864 , TPS62865 , TPS62866 , TPS62867 , TPS62868 , TPS62869 , TPSM82810 , TPSM82813 , TPSM82816 , TPSM82864A , TPSM82866A , TPSM82866C , TPSM8287A06 , TPSM8287A10 , TPSM8287A15 , TPSM8287B30

 

  1.   Abstract
  2.   Trademarks
  3. 1Introduction
  4. 2Standard Device Operation: Resistance Measurement and Digital Input
  5. 3TPS62864/6/8/9: VSET/VID Pin
  6. 4TPS62800/1/2/6/7/8: VSEL/MODE Pin
  7. 5TPS62865/7 and TPSM82864/6A: VSET/MODE Pin
  8. 6Summary
  9. 7Revision History

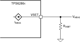
Standard Device Operation: Resistance Measurement and Digital Input

During t_startup_delay, the IC needs to perform a resistance measurement on the Multi-function pin.

The resistance measurement is done by injecting a small current IMEAS in the external resistor RVSET, and reading the correspondent voltage VMEAS as shown in Figure 2-1 The value of RVSET can be computed as: RVSET = VMEAS / IMEAS;

GUID-20210523-CA0I-68PD-FVSQ-1M2LNNVS0K7B-low.gif Figure 2-1 R2D Conversion on VSET Pin

This operation has to be as precise as possible, since any measurement errors could cause an erroneous output voltage setting, with possible damages to the load.

For example, referring to TPS62864/6 2.4-V to 5.5-V Input, 4-A and 6-A Synchronous Step-Down Converter with I2C Interface in WCSP Package data sheet: The R2D converter has an internal current source which applies current through the external resistor, and an internal ADC which reads back the resulting voltage level. Depending on the level, the correct start-up output voltage and I2C slave address are set.... Ensure that there is no additional current path or capacitance greater than 30 pF from this pin to GND during R2D conversion. Otherwise a false value is set.

The previous limits must to be considered when designing the driving circuit.

The capacitance limit is expressly given in the data sheet, whereas the maximum additional current is not specifically defined. In most cases it is okay to consider 40nA as maximum additional current.