SLVU411A September   2010  – June 2021 TPS62120

 

  1.   Trademarks
  2. 1Introduction
    1. 1.1 Features
    2. 1.2 Applications
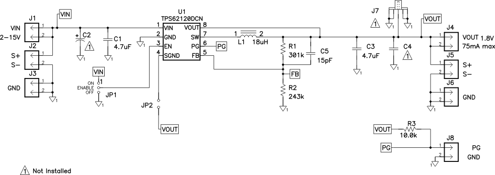
  3. 2TPS62120EVM Schematic
  4. 3Connector and Test Point Descriptions
    1. 3.1 Enable Jumpers/Switches (RefDes) TPS62120
      1. 3.1.1  J1 VIN
      2. 3.1.2  J2 S+/S–
      3. 3.1.3  J3 GND
      4. 3.1.4  J4 VOUT
      5. 3.1.5  J5 S+/S–
      6. 3.1.6  J6 GND
      7. 3.1.7  JP1 EN
      8. 3.1.8  JP2 SGND
      9. 3.1.9  J7 VOUT (SMA)
      10. 3.1.10 J8 PG/GND
  5. 4Test Configuration
    1. 4.1 Hardware Setup
    2. 4.2 Procedure
  6. 5TPS62120EVM Test Data
    1. 5.1 Efficiency
    2. 5.2 Start-Up
    3. 5.3 Load Transient Response
    4. 5.4 Typical Operation, 60 mA
    5. 5.5 Typical Operation, 10 mA
    6. 5.6 Current Limit Operation
  7. 6TPS62120EVM Assembly Drawings and Layout
  8. 7Bill of Materials
  9. 8Revision History

TPS62120EVM Schematic

Figure 2-1 illustrates the TPS62120EVM-640 schematic.

GUID-3FC29FB3-8C8F-4DFA-9791-4DAD58F17FA7-low.gif
For reference only; see Table 7-1 for specific values.
Figure 2-1 TPS62120EVM Schematic