SLVUCW7A September   2024  – April 2025 TPS1685

 

  1.   1
  2.   Description
  3.   Features
  4.   Applications
  5.   5
  6. 1Evaluation Module Overview
    1. 1.1 Introduction
    2. 1.2 Kit Contents
    3. 1.3 Specification
    4. 1.4 Device Information
  7. 2Hardware
    1. 2.1 General Configurations
      1. 2.1.1 Physical Access
      2. 2.1.2 Test Equipment and Setup
        1. 2.1.2.1 Power Supplies
        2. 2.1.2.2 Meters
        3. 2.1.2.3 Oscilloscope
        4. 2.1.2.4 Loads
  8. 3Implementation Results
    1. 3.1 Test Setup and Procedures
      1. 3.1.1  Hot Plug
      2. 3.1.2  Start-up with Enable
      3. 3.1.3  Power Up Into Short
      4. 3.1.4  Undervoltage Lockout
      5. 3.1.5  Overvoltage Lockout
      6. 3.1.6  Transient Overload Performance
      7. 3.1.7  Overcurrent Event
      8. 3.1.8  Output Hot Short
      9. 3.1.9  Quick Output Discharge (QOD)
      10. 3.1.10 Thermal Performance of TPS1685EVM
  9. 4Hardware Design Files
    1. 4.1 Schematics
    2. 4.2 PCB Drawings
    3. 4.3 Bill of Materials (BOM)
  10. 5Additional Information
    1. 5.1 Trademarks
  11. 6Revision History

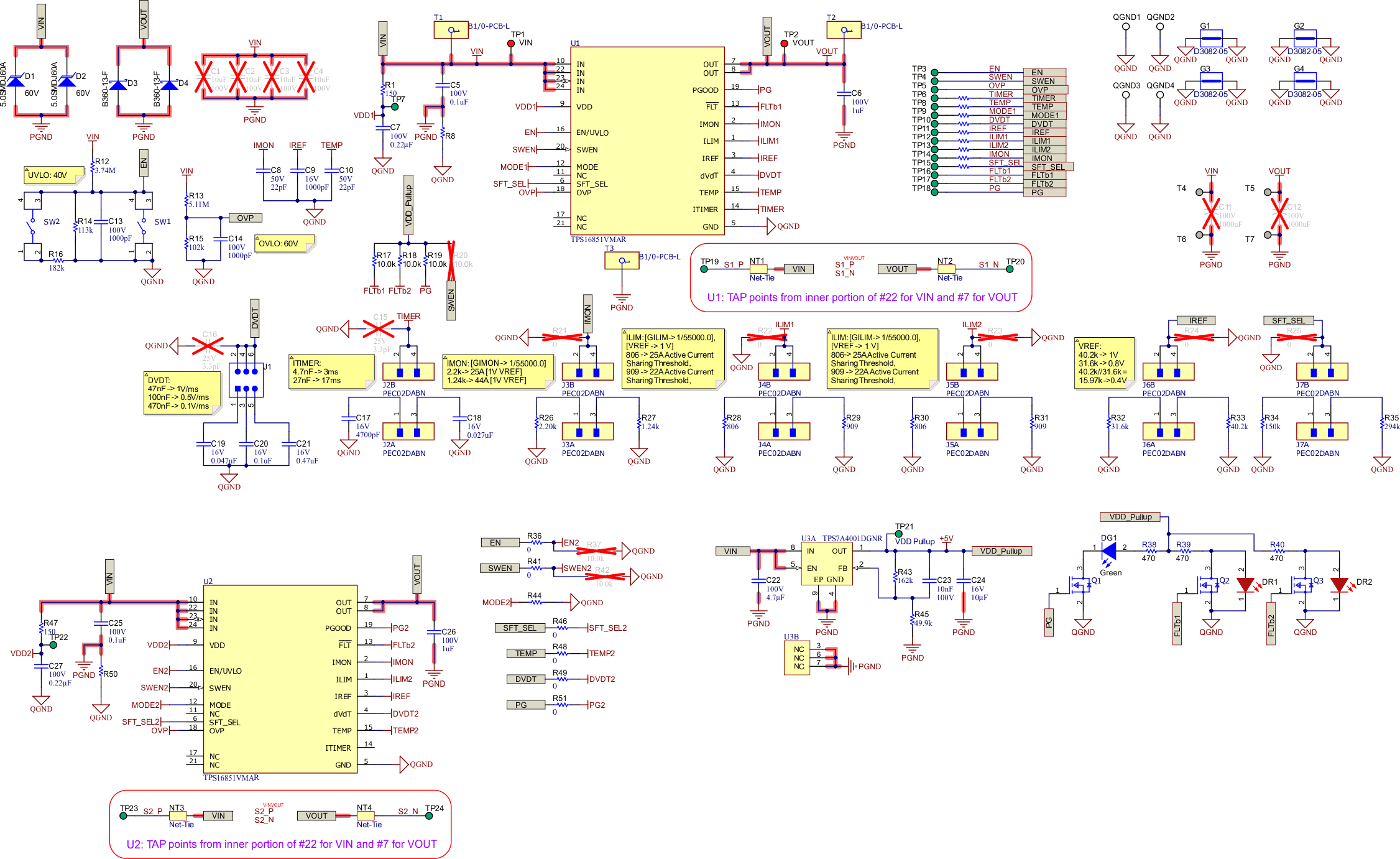
Schematics

The EVM schematic is shown in Figure 4-1.

TPS1685EVM TPS1685EVMFuse Evaluation Board
          Schematic Figure 4-1 TPS1685EVMFuse Evaluation Board Schematic
Note:
  • To evaluate the performance of one TPS1685 eFuse at lower currents (andlt; 20A), R36, R41, R46, R48, R49, and R51 resistors need to be depopulated, and R37 and R42 resistors must be populated to disable the secondary eFuse.
  • The ground connections for the various components around the TPS1685 eFuses must be wired directly to each other and the GND pins of respective eFuses. This must be followed by connecting them to the system ground at one point, as implemented using R8 and R50 resistors in the EVM schematic. Do not connect the various component grounds through the high current system ground line.