SNOU203A May   2024  – December 2024 TMP118

 

  1.   1
  2.   Description
  3.   Get Started
  4.   Features
  5.   Applications
  6.   6
  7. 1Evaluation Module Overview
    1. 1.1 Introduction
    2. 1.2 Kit Contents
    3. 1.3 Specification
    4. 1.4 Device Information
  8. 2Hardware
    1. 2.1 Overview
      1. 2.1.1 Connecting FPC Sensor Board to Controller Board
    2. 2.2 Perforations and Connectivity
    3. 2.3 Status LEDs and Subregulator
    4. 2.4 Programming Header
    5. 2.5 BSL Button
  9. 3Software
    1. 3.1 Software Installation
      1. 3.1.1 Live Software on dev.ti.com
      2. 3.1.2 Download From dev.ti.com
    2. 3.2 Home Tab
    3. 3.3 Data Capture Tab
    4. 3.4 Registers Tab
  10. 4Hardware Design Files
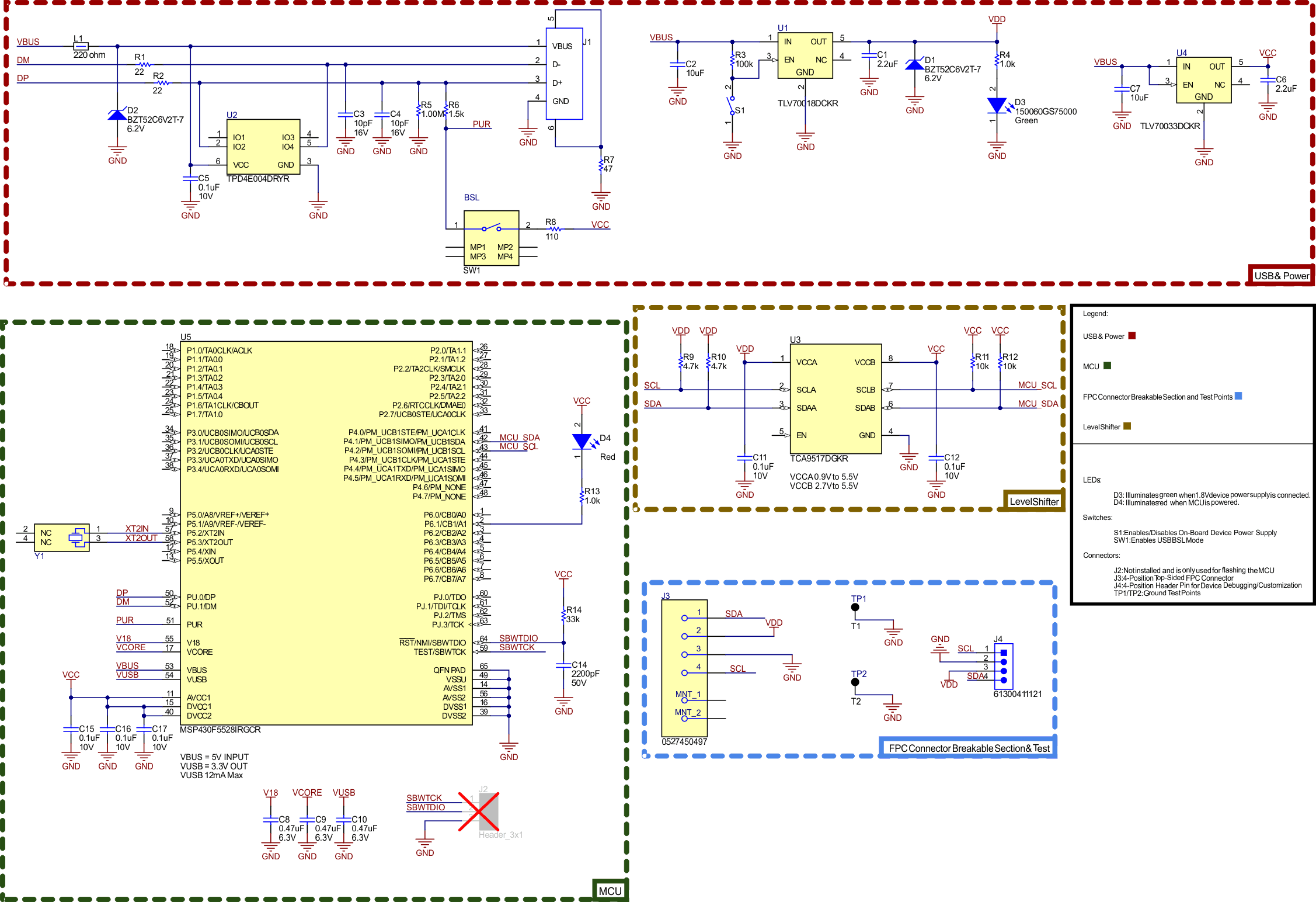
    1. 4.1 Schematic
    2. 4.2 PCB Layout
    3. 4.3 Bill of Materials
  11. 5Additional Information
    1. 5.1 Trademarks
  12. 6Revision History

Schematic

TMP118EVM SchematicTMP118EVM SchematicFigure 4-1 Schematic