SWRU437B September   2015  – June 2020 WL1801MOD , WL1805MOD , WL1807MOD , WL1831MOD , WL1835MOD , WL1837MOD

 

  1.   WiLink Module Hardware Integration Guide
    1.     Trademarks
    2. Module Variant Table
      1. 1.1 WiLink WLAN Antenna Configuration
        1. 1.1.1 Single-Input Single-Output (SISO)
        2. 1.1.2 Multiple-Input Multiple-Output (MIMO)/Maximum Ratio Combining (MRC)
    3. Critical Connections
    4. Power Supply
      1. 3.1 Power Up/Shutdown Sequence
        1. 3.1.1 Power Up
        2. 3.1.2 Shutdown
      2. 3.2 Power Sequencing
    5. Clocks
      1. 4.1 Slow Clock
      2. 4.2 Fast Clock
    6. Current Consumption
      1. 5.1 Performance Parameters - Typical
    7. Antenna
    8. Ground Connections
    9. Layout
    10. Hardware Troubleshoot
      1. 9.1 System Requirements
      2. 9.2 Power Rails
      3. 9.3 Critcal Supplies
      4. 9.4 Sense on Reset
      5. 9.5 WLAN
        1. 9.5.1 WLAN Host Interface (SDIO)
        2. 9.5.2 WLAN IRQ Operation (SDIO Out-of-Band Interrupt)
      6. 9.6 Bluetooth and Bluetooth Low Energy
        1. 9.6.1 Bluetooth UART HCI Interface
        2. 9.6.2 Bluetooth PCM
      7. 9.7 Reserved Pins
      8. 9.8 Debug
    11. 10 WiFi_Zigbee Coex
    12. 11 References
  2.   Revision History

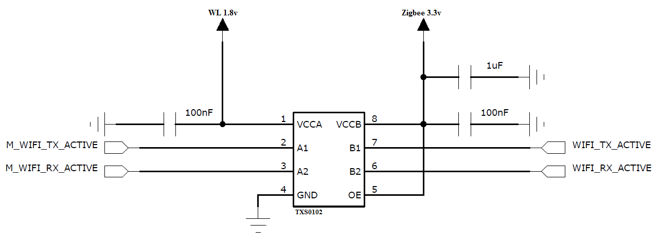
WiFi_Zigbee Coex

  • For Zigbee/WiFi Coexistence, the following should be connected:
  • wifi_zigbee_coex.gifFigure 11. WLAN ZigBee Coexistence

    Table 11. WLAN ZigBee Coex Lines

    Signal Name WL18xxMOD IO (1.8 Bv) CC2530 Zigbee IO (3.3 V) Direction
    Tx Active GPIO12 (Pin 5) P1_7 (Pin 37) From WLAN
    Rx Active GPIO10 (Pin 4) P0_0 (Pin 19) From WLAN
    PA SHUTDOWN/REQUEST GPIO9 (Pin 3) P1_6 (Pin 38) To WLAN
  • For signals level shifting between WL18XXMOD and CC2530, TI recommends the TXS0102 Bidirectional Voltage-Level Translator.
  • Zigbee_LS.pngFigure 12. Zigbee_LS
  • For the TX disable, one of the options is to use resistor divider or use single bit Level Shifter.
  • Zigbee_RNR.pngFigure 13. Zigbee_RNR