SBAS660C August 2016 – June 2017 ADS124S06 , ADS124S08
PRODUCTION DATA.
Refer to the PDF data sheet for device specific package drawings
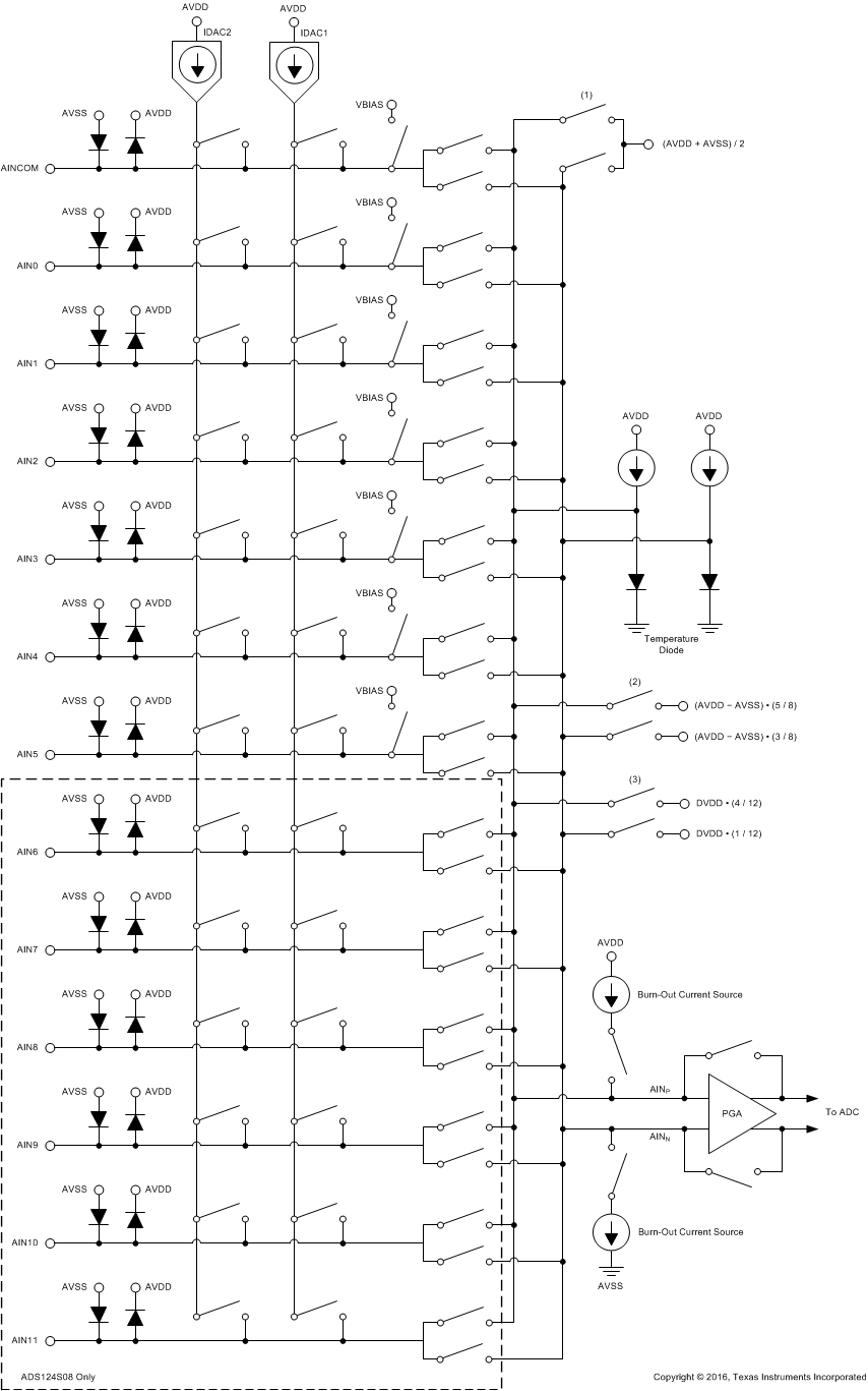
The ADS124S0x contains a flexible input multiplexer; see Figure 49. Select any of the six (ADS124S06) or 12 (ADS124S08) analog inputs as the positive or negative input for the PGA using the MUX_P[3:0] and MUX_N[3:0] bits in the input multiplexer register (02h). In addition, AINCOM can be selected as the positive or negative PGA input. AINCOM is treated as a regular analog input, as is AINx. Use AINCOM in single-ended measurement applications as the common input for the other analog inputs.
The multiplexer also routes the excitation current sources to drive resistive sensors (bridges, RTDs, and thermistors) and can provide bias voltages for unbiased sensors (unbiased thermocouples for example) to analog input pins.
The ADS124S0x also contain a set of system monitor functions measured through the multiplexer. The inputs can be shorted together at mid-supply [(AVDD + AVSS) / 2] to measure and calibrate the input offset of the analog front-end and the ADC. The system monitor also includes a temperature sensor that provides a measurement of the device temperature. The system monitor can also measure the analog and digital supplies, measuring [(AVDD – AVSS) / 4] for the analog supply or DVDD / 4 for the digital supply. Finally, the system monitor contains a set of burn-out current sources that pull the inputs to either supply if the sensor has burned out and has a high impedance so that the ADC measures a full-scale reading.
The multiplexer implements a break-before-make circuit. When changing the multiplexer channels using the MUX_P[3:0] and MUX_N[3:0] bits, the device first disconnects the PGA inputs from the analog inputs and connects them to mid-supply for 2 · tCLK. In the next step, the PGA inputs connect to the selected new analog input channels. This break-before-make behavior ensures the ADC always starts from a known state and that the analog inputs are not momentarily shorted together.
Electrostatic discharge (ESD) diodes to AVDD and AVSS protect the inputs. To prevent the ESD diodes from turning on, the absolute voltage on any input must stay within the range provided by Equation 3:
External Schottky clamp diodes or series resistors may be required to limit the input current to safe values (see the Absolute Maximum Ratings table). Overdriving an unselected input on the device can affect conversions taking place on other input pins.
