SLVSDR9E October   2016  – January 2021 DRV8702-Q1 , DRV8703-Q1

PRODUCTION DATA  

  1. Features
  2. Applications
  3. Description
  4. Revision History
  5. Pin Configuration and Functions
    1.     Pin Functions
  6. Specifications
    1. 6.1 Absolute Maximum Ratings
    2. 6.2 ESD Ratings
    3. 6.3 Recommended Operating Conditions
    4. 6.4 Thermal Information
    5. 6.5 Electrical Characteristics
    6. 6.6 SPI Timing Requirements
    7. 6.7 Switching Characteristics
    8.     15
    9. 6.8 Typical Characteristics
  7. Detailed Description
    1. 7.1 Overview
    2. 7.2 Functional Block Diagram
    3. 7.3 Feature Description
      1. 7.3.1  Bridge Control
        1. 7.3.1.1 Logic Tables
      2. 7.3.2  MODE Pin
      3. 7.3.3  nFAULT Pin
      4. 7.3.4  Current Regulation
      5. 7.3.5  Amplifier Output (SO)
        1. 7.3.5.1 SO Sample and Hold Operation
      6. 7.3.6  PWM Motor Gate Drivers
        1. 7.3.6.1 Miller Charge (QGD)
      7. 7.3.7  IDRIVE Pin (DRV8702-Q1 Only)
      8. 7.3.8  Dead Time
      9. 7.3.9  Propagation Delay
      10. 7.3.10 Overcurrent VDS Monitor
      11. 7.3.11 VDS Pin (DRV8702-Q1 Only)
      12. 7.3.12 Charge Pump
      13. 7.3.13 Gate Drive Clamp
      14. 7.3.14 Protection Circuits
        1. 7.3.14.1 VM Undervoltage Lockout (UVLO2)
        2. 7.3.14.2 Logic Undervoltage (UVLO1)
        3. 7.3.14.3 VCP Undervoltage Lockout (CPUV)
        4. 7.3.14.4 Overcurrent Protection (OCP)
        5. 7.3.14.5 Gate Driver Fault (GDF)
        6. 7.3.14.6 Thermal Shutdown (TSD)
        7. 7.3.14.7 Watchdog Fault (WDFLT, DRV8703-Q1 Only)
        8. 7.3.14.8 Reverse Supply Protection
      15. 7.3.15 Hardware Interface
        1. 7.3.15.1 IDRIVE (6-level input)
        2. 7.3.15.2 VDS (6-Level Input)
    4. 7.4 Device Functional Modes
    5. 7.5 Programming
      1. 7.5.1 SPI Communication
        1. 7.5.1.1 Serial Peripheral Interface (SPI)
        2. 7.5.1.2 SPI Format
    6. 7.6 Register Maps
  8. Application and Implementation
    1. 8.1 Application Information
    2. 8.2 Typical Application
      1. 8.2.1 Design Requirements
      2. 8.2.2 Detailed Design Procedure
        1. 8.2.2.1 External FET Selection
        2. 8.2.2.2 IDRIVE Configuration
        3. 8.2.2.3 VDS Configuration
        4. 8.2.2.4 Current Chopping Configuration
      3. 8.2.3 Application Curves
  9. Power Supply Recommendations
    1. 9.1 Bulk Capacitance Sizing
  10. 10Layout
    1. 10.1 Layout Guidelines
    2. 10.2 Layout Example
  11. 11Device and Documentation Support
    1. 11.1 Documentation Support
      1. 11.1.1 Related Documentation
    2. 11.2 Related Links
    3. 11.3 Receiving Notification of Documentation Updates
    4. 11.4 Support Resources
    5. 11.5 Trademarks
    6. 11.6 Electrostatic Discharge Caution
    7. 11.7 Glossary
  12. 12Mechanical, Packaging, and Orderable Information

Package Options

Refer to the PDF data sheet for device specific package drawings

Mechanical Data (Package|Pins)
  • RHB|32
Thermal pad, mechanical data (Package|Pins)
Orderable Information

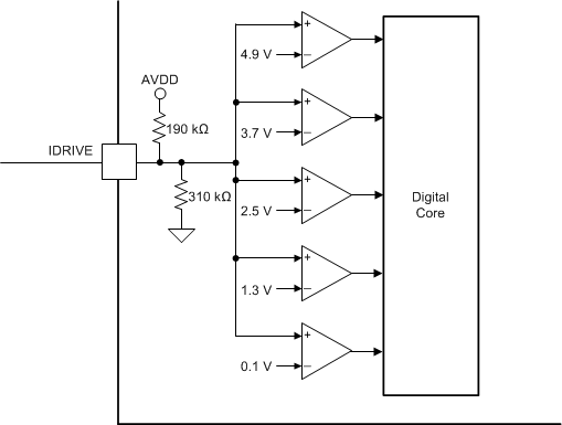
IDRIVE Pin (DRV8702-Q1 Only)

The rise and fall times of the H-bridge output (SHx pins) can be adjusted by setting the IDRIVE resistor value or forcing a voltage onto the IDRIVE pin. The FET gate voltage ramps faster if a higher IDRIVE setting is selected. The ramp of the FET gate directly affects the rise and fall times of the H-bridge output.

Tying the IDRIVE pin to ground selects the lowest drive setting of 10-mA source and 20-mA sink. Leaving this pin open selects the drive setting of 155-mA high side and 130-mA low side for source current, and 265-mA high side, 260-mA low side for sink current, at a VM voltage of 13.5 V. For a detailed list of IDRIVE configurations, see Table 7-7.

GUID-0D3C003C-A518-4AFA-98D3-9CFC39A1993B-low.gifFigure 7-12 IDRIVE Pin Internal Circuitry
Table 7-7 DRV8702-Q1 IDRIVE Settings
IDRIVE RESISTANCEIDRIVE
VOLTAGE
SOURCE CURRENTSINK CURRENTCIRCUIT
VVM = 5.5 VVVM = 13.5 VVVM = 5.5 VVVM = 13.5 V
< 1 kΩ to GNDGNDHigh-side: 10 mA
Low-side: 10 mA
High-side: 10 mA
Low-side: 10 mA
High-side: 20 mA
Low-side: 20 mA
High-side: 20 mA
Low-side: 20 mA
GUID-BB565A43-E995-41B6-A624-1E4A9D256D32-low.gif
33 kΩ ± 5% to GND0.7 V ± 5%High-side: 20 mA
Low-side: 20 mA
High-side: 20 mA
Low-side: 20 mA
High-side: 40 mA
Low-side: 40 mA
High-side: 40 mA
Low-side: 40 mA
GUID-58E042A0-DA33-4C32-9F68-6FCB14C60C58-low.gif
200 kΩ ± 5% to GND2 V ± 5%High-side: 50 mA
Low-side: 40 mA
High-side: 50 mA
Low-side: 45 mA
High-side: 90 mA
Low-side: 85 mA
High-side: 95 mA
Low-side: 95 mA
GUID-58E042A0-DA33-4C32-9F68-6FCB14C60C58-low.gif
> 2 MΩ to GND, Hi-Z3 V ± 5%High-side: 145 mA
Low-side: 115 mA
High-side: 155 mA
Low-side: 130 mA
High-side: 250 mA
Low-side: 235 mA
High-side: 265 mA
Low-side: 260 mA
GUID-90412F0F-4ECD-495B-8B9B-94C5097E38AE-low.gif
68 kΩ ± 5% to AVDD4 V ± 5%High-side: 190 mA
Low-side: 145 mA
High-side: 210 mA
Low-side: 180 mA
High-side: 330 mA
Low-side: 300 mA
High-side: 350 mA
Low-side: 350 mA
GUID-FD6C0386-5418-4539-9D04-F80704023089-low.gif
< 1 kΩ to AVDDAVDDHigh-side: 240 mA
Low-side: 190 mA
High-side: 260 mA
Low-side: 225 mA
High-side: 420 mA
Low-side: 360 mA
High-side: 440 mA
Low-side:430 mA
GUID-447A7A7F-39DE-47A2-8C8F-6E9F2240F784-low.gif