SLLSF22H April   2018  – June 2024 ISO1410 , ISO1412 , ISO1430 , ISO1432 , ISO1450 , ISO1452

PRODUCTION DATA  

  1.   1
  2. Features
  3. Applications
  4. Description
  5. Description Continued
  6. Device Comparison Table
  7. Pin Configuration and Functions
    1.     Pin Functions: Full-Duplex Device
    2.     Pin Functions: Half-Duplex Device
  8. Specifications
    1. 7.1  Absolute Maximum Ratings
    2. 7.2  ESD Ratings
    3. 7.3  Recommended Operating Conditions
    4. 7.4  Thermal Information
    5. 7.5  Power Ratings
    6. 7.6  Insulation Specifications
    7. 7.7  Safety-Related Certifications
    8. 7.8  Safety Limiting Values
    9. 7.9  Electrical Characteristics: Driver
    10. 7.10 Electrical Characteristics: Receiver
    11. 7.11 Supply Current Characteristics: Side 1 (ICC1)
    12. 7.12 Supply Current Characteristics: Side 2 (ICC2)
    13. 7.13 Switching Characteristics: Driver
    14. 7.14 Switching Characteristics: Receiver
    15. 7.15 Insulation Characteristics Curves
    16. 7.16 Typical Characteristics
  9. Parameter Measurement Information
  10. Detailed Description
    1. 9.1 Overview
    2. 9.2 Functional Block Diagram
    3. 9.3 Feature Description
      1. 9.3.1 Electromagnetic Compatibility (EMC) Considerations
      2. 9.3.2 Failsafe Receiver
      3. 9.3.3 Thermal Shutdown
      4. 9.3.4 Glitch-Free Power Up and Power Down
    4. 9.4 Device Functional Modes
      1. 9.4.1 Device I/O Schematics
  11. 10Application and Implementation
    1. 10.1 Application Information
    2. 10.2 Typical Application
      1. 10.2.1 Design Requirements
      2. 10.2.2 Detailed Design Procedure
        1. 10.2.2.1 Data Rate and Bus Length
        2. 10.2.2.2 Stub Length
        3. 10.2.2.3 Bus Loading
      3. 10.2.3 Application Curves
        1. 10.2.3.1 Insulation Lifetime
  12. 11Power Supply Recommendations
  13. 12Layout
    1. 12.1 Layout Guidelines
      1. 12.1.1 PCB Material
    2. 12.2 Layout Example
  14. 13Device and Documentation Support
    1. 13.1 Documentation Support
      1. 13.1.1 Related Documentation
        1. 13.1.1.1 Related Links
    2. 13.2 Receiving Notification of Documentation Updates
    3. 13.3 Support Resources
    4. 13.4 Trademarks
    5. 13.5 Electrostatic Discharge Caution
    6. 13.6 Glossary
  15. 14Revision History
  16. 15Mechanical, Packaging, and Orderable Information

Package Options

Refer to the PDF data sheet for device specific package drawings

Mechanical Data (Package|Pins)
  • DW|16
Thermal pad, mechanical data (Package|Pins)
Orderable Information

Application Information

The ISO14xx devices are designed for bidirectional data transfer on multipoint RS-485 networks. The design of each RS-485 node in the network requires an ISO14xx device and an isolated power supply as shown in Figure 10-3.

An RS-485 bus has multiple transceivers that connect in parallel to a bus cable. Both cable ends are terminated with a termination resistor, RT, to remove line reflections. The value of RT matches the characteristic impedance, Z0, of the cable. This method, known as parallel termination, lets higher data rates be used over a longer cable length.

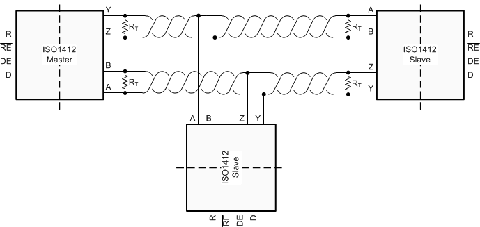
Full-duplex implementation, as shown in Figure 10-1, requires two signal pairs (four wires). Full-duplex implementation lets each node to transmit data on one pair while simultaneously receiving data on the other pair. In half-duplex implementation, as shown in Figure 10-2, the driver and receiver enable pins let any node at any given moment be configured in either transmit or receive mode which decreases cable requirements.

ISO1450 ISO1452 ISO1410 ISO1412 ISO1430 ISO1432 Typical RS-485 Network With Full-Duplex Isolated TransceiversFigure 10-1 Typical RS-485 Network With Full-Duplex Isolated Transceivers
ISO1450 ISO1452 ISO1410 ISO1412 ISO1430 ISO1432 Typical RS-485 Network With Half-Duplex Isolated TransceiversFigure 10-2 Typical RS-485 Network With Half-Duplex Isolated Transceivers