SLLSF22H April   2018  – June 2024 ISO1410 , ISO1412 , ISO1430 , ISO1432 , ISO1450 , ISO1452

PRODUCTION DATA  

  1.   1
  2. Features
  3. Applications
  4. Description
  5. Description Continued
  6. Device Comparison Table
  7. Pin Configuration and Functions
    1.     Pin Functions: Full-Duplex Device
    2.     Pin Functions: Half-Duplex Device
  8. Specifications
    1. 7.1  Absolute Maximum Ratings
    2. 7.2  ESD Ratings
    3. 7.3  Recommended Operating Conditions
    4. 7.4  Thermal Information
    5. 7.5  Power Ratings
    6. 7.6  Insulation Specifications
    7. 7.7  Safety-Related Certifications
    8. 7.8  Safety Limiting Values
    9. 7.9  Electrical Characteristics: Driver
    10. 7.10 Electrical Characteristics: Receiver
    11. 7.11 Supply Current Characteristics: Side 1 (ICC1)
    12. 7.12 Supply Current Characteristics: Side 2 (ICC2)
    13. 7.13 Switching Characteristics: Driver
    14. 7.14 Switching Characteristics: Receiver
    15. 7.15 Insulation Characteristics Curves
    16. 7.16 Typical Characteristics
  9. Parameter Measurement Information
  10. Detailed Description
    1. 9.1 Overview
    2. 9.2 Functional Block Diagram
    3. 9.3 Feature Description
      1. 9.3.1 Electromagnetic Compatibility (EMC) Considerations
      2. 9.3.2 Failsafe Receiver
      3. 9.3.3 Thermal Shutdown
      4. 9.3.4 Glitch-Free Power Up and Power Down
    4. 9.4 Device Functional Modes
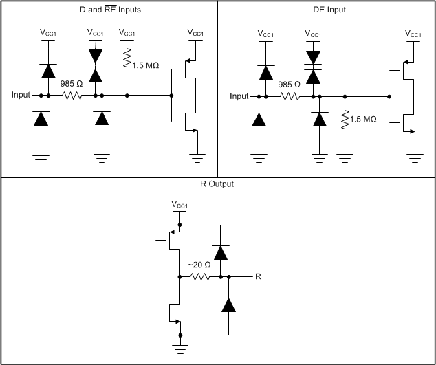
      1. 9.4.1 Device I/O Schematics
  11. 10Application and Implementation
    1. 10.1 Application Information
    2. 10.2 Typical Application
      1. 10.2.1 Design Requirements
      2. 10.2.2 Detailed Design Procedure
        1. 10.2.2.1 Data Rate and Bus Length
        2. 10.2.2.2 Stub Length
        3. 10.2.2.3 Bus Loading
      3. 10.2.3 Application Curves
        1. 10.2.3.1 Insulation Lifetime
  12. 11Power Supply Recommendations
  13. 12Layout
    1. 12.1 Layout Guidelines
      1. 12.1.1 PCB Material
    2. 12.2 Layout Example
  14. 13Device and Documentation Support
    1. 13.1 Documentation Support
      1. 13.1.1 Related Documentation
        1. 13.1.1.1 Related Links
    2. 13.2 Receiving Notification of Documentation Updates
    3. 13.3 Support Resources
    4. 13.4 Trademarks
    5. 13.5 Electrostatic Discharge Caution
    6. 13.6 Glossary
  15. 14Revision History
  16. 15Mechanical, Packaging, and Orderable Information

Package Options

Refer to the PDF data sheet for device specific package drawings

Mechanical Data (Package|Pins)
  • DW|16
Thermal pad, mechanical data (Package|Pins)
Orderable Information

Device I/O Schematics

ISO1450 ISO1452 ISO1410 ISO1412 ISO1430 ISO1432 Device I/O SchematicsFigure 9-4 Device I/O Schematics