SLVSFF1C December   2021  – November 2025 LM5123-Q1

PRODUCTION DATA  

  1.   1
  2. Features
  3. Applications
  4. Description
  5. Description (continued)
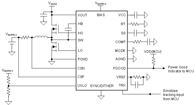
  6. Pin Configuration and Functions
  7. Specifications
    1. 6.1 Absolute Maximum Ratings
    2. 6.2 ESD Ratings
    3. 6.3 Recommended Operating Conditions
    4. 6.4 Thermal Information
    5. 6.5 Electrical Characteristics
    6. 6.6 Typical Characteristics
  8. Detailed Description
    1. 7.1 Overview
    2. 7.2 Functional Block Diagram
    3. 7.3 Feature Description
      1. 7.3.1  Device Enable/Disable (EN, VH Pin)
      2. 7.3.2  High Voltage VCC Regulator (BIAS, VCC Pin)
      3. 7.3.3  Light Load Switching Mode Selection (MODE Pin)
      4. 7.3.4  VOUT Range Selection (RANGE Pin)
      5. 7.3.5  Line Undervoltage Lockout (UVLO Pin)
      6. 7.3.6  Fast Restart Using VCC HOLD (VH Pin)
      7. 7.3.7  Adjustable Output Regulation Target (VOUT, TRK, VREF Pin)
      8. 7.3.8  Overvoltage Protection (VOUT Pin)
      9. 7.3.9  Power Good Indicator (PGOOD Pin)
      10. 7.3.10 Dynamically Programmable Switching Frequency (RT)
      11. 7.3.11 External Clock Synchronization (SYNC Pin)
      12. 7.3.12 Programmable Spread Spectrum (DITHER Pin)
      13. 7.3.13 Programmable Soft Start (SS Pin)
      14. 7.3.14 Wide Bandwidth Transconductance Error Amplifier and PWM (TRK, COMP Pin)
      15. 7.3.15 Current Sensing and Slope Compensation (CSP, CSN Pin)
      16. 7.3.16 Constant Peak Current Limit (CSP, CSN Pin)
      17. 7.3.17 Maximum Duty Cycle and Minimum Controllable On-Time Limits
      18. 7.3.18 Deep Sleep Mode and Bypass Operation (HO, CP Pin)
      19. 7.3.19 MOSFET Drivers, Integrated Boot Diode, and Hiccup Mode Fault Protection (LO, HO, HB Pin)
      20. 7.3.20 Thermal Shutdown Protection
    4. 7.4 Device Functional Modes
      1. 7.4.1 Device Status
        1. 7.4.1.1 Shutdown Mode
        2. 7.4.1.2 Configuration Mode
        3. 7.4.1.3 Active Mode
        4. 7.4.1.4 Sleep Mode
        5. 7.4.1.5 Deep Sleep Mode
      2. 7.4.2 Light Load Switching Mode
        1. 7.4.2.1 Forced PWM (FPWM) Mode
        2. 7.4.2.2 Diode Emulation (DE) Mode
        3. 7.4.2.3 Forced Diode Emulation Operation in FPWM Mode
        4. 7.4.2.4 Skip Mode
  9. Application and Implementation
    1. 8.1 Application Information
    2. 8.2 Typical Application
      1. 8.2.1 Design Requirements
      2. 8.2.2 Detailed Design Procedure
        1. 8.2.2.1 Application Ideas
      3. 8.2.3 Application Curves
    3. 8.3 System Example
  10. Power Supply Recommendations
  11. 10Layout
    1. 10.1 Layout Guidelines
    2. 10.2 Layout Example
  12. 11Device and Documentation Support
    1. 11.1 Device Support
      1. 11.1.1 Third-Party Products Disclaimer
    2. 11.2 Receiving Notification of Documentation Updates
    3. 11.3 Support Resources
    4. 11.4 Trademarks
    5. 11.5 Electrostatic Discharge Caution
    6. 11.6 Glossary
  13. 12Revision History
  14. 13Mechanical, Packaging, and Orderable Information

Package Options

Refer to the PDF data sheet for device specific package drawings

Mechanical Data (Package|Pins)
  • RGR|20
Thermal pad, mechanical data (Package|Pins)
Orderable Information

Description

The LM5123-Q1 device is a wide input range synchronous boost controller that employs peak current mode control.

Package Information
PART NUMBER PACKAGE(1) BODY SIZE (NOM)
LM5123-Q1 QFN (20) 3.5mm × 3.5mm
For all available packages, see the orderable addendum at the end of the data sheet.
LM5123-Q1 Typical Application Typical Application